Здравствуйте, гость ( Вход | Регистрация )
6.1.2009, 11:05
Сообщение
#1
|
|
![]() Почетный нексиавод ![]() ![]() ![]() ![]() ![]() ![]() Группа: Пользователи Сообщений: 2334 Регистрация: 5.6.2008 Из: Харьков Пол: |
Обнаружилась такая проблема.
Приехал на работу, поездил немного, а вечером обнаружил что после стоянки на улице двери попримерзли так, что не открыть! Центральный замок срабатывает, а двери не открываются. Попробовал ключом- еле-еле открыл пассажирскую. Кто сталкивался с подобной проблемой и как ее решать? На улице с утра -18С |
|
|
|
|
|
![]() |
31.1.2012, 22:06
Сообщение
#2
|
|
|
Мегафлудер ![]() ![]() ![]() ![]() ![]() ![]() ![]() Группа: Главные администраторы Сообщений: 15694 Регистрация: 6.10.2008 Из: Киев, позняки Пол: |
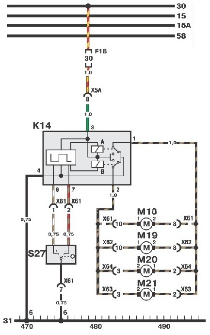
Кстати говоря: у родного 5-проводного привода (в водительской двери используется только 3 провода - т.е. как датчик) качество гораздо лучше - нужно только разъём найти соответствующий с 5 контактами.
-------------------- Связь - как воздух: пока не испортится - её не замечают
|
|
|
|
|
|
1.2.2012, 10:01
Сообщение
#3
|
|
![]() Ellektrik ![]() ![]() ![]() ![]() ![]() ![]() ![]() Группа: Член клуба Сообщений: 3553 Регистрация: 16.2.2008 Из: Житомир (Полевая) Пол: |
Кстати говоря: у родного 5-проводного привода (в водительской двери используется только 3 провода - т.е. как датчик) качество гораздо лучше - нужно только разъём найти соответствующий с 5 контактами. Вы хотите сказать что на водительской двери (разъём Х61) двигатель не подключен а подключен только концевик управления дверьми? Так как на схеме? -------------------- Кто сказал что электрик не воин света? Он всегда на щите или под щитом.
|
|
|
|
|
|
1.2.2012, 17:56
Сообщение
#4
|
|
|
Мегафлудер ![]() ![]() ![]() ![]() ![]() ![]() ![]() Группа: Главные администраторы Сообщений: 15694 Регистрация: 6.10.2008 Из: Киев, позняки Пол: |
Вы хотите сказать что на водительской двери (разъём Х61) двигатель не подключен а подключен только концевик управления дверьми? Так как на схеме? По ходу это не наша схема. Скорее всего это 5-дверное что-то. Да и смысл моторчиком дёргать ту же дверь, которую ключом открывают/закрывают? У нас моторчик ЦЗ в водительской двери не подключён. Во всех дверях стоит одинаковый 5-контактный привод, но в водительской двери подключён только датчик (3 провода), а в остальных - только моторчик (2 провода). Почему сигнализаторщики (у меня это делали на Сырецкой прямо в салоне) ставят доп. моторчик, а не подключают недостающие 2 провода к существующему (достаточно качественному) для меня загадка. -------------------- Связь - как воздух: пока не испортится - её не замечают
|
|
|
|
|
|
ТоЯматоКанава Примерзают двери 6.1.2009, 11:05
Dani Все сталкивались. Зимой, периодически, и после каж... 6.1.2009, 11:39
ТоЯматоКанава брызгал смазкой силиконовой уплотнители, толку нет... 6.1.2009, 12:43
ТоЯматоКанава а сейчас еще и лючок бензобака подмерз, вернее та ... 6.1.2009, 14:55
бобр Цитата(ТоЯматоКанава @ 6.1.2009, 14:55) а... 6.1.2009, 18:38
Lithium Цитата(ТоЯматоКанава @ 6.1.2009, 15:55) а... 6.1.2009, 20:52
бобр Цитата(Lithium @ 6.1.2009, 20:52) У меня ... 8.1.2009, 10:58
Veis Цитата(бобр @ 8.1.2009, 10:58) Нужно брыз... 11.2.2012, 22:43
AlfaNick Володя, любить чистоту безусловно похвально, но лу... 6.1.2009, 14:59
бобр Цитата(ТоЯматоКанава @ 6.1.2009, 11:05) О... 6.1.2009, 18:35
niki Силикон - рулитт!!!!! Как в ае... 8.1.2009, 11:13
Penguin Цитата(niki @ 8.1.2009, 11:13) Силикон - ... 8.1.2009, 12:01
ТоЯматоКанава в том и дело, что с багажника не открывается лючок... 8.1.2009, 11:53
Dimit Уплотнители двери, как уже сказали ребята, лучше н... 8.1.2009, 12:55
vlad Может, и для лючка бензобака подойдет.
У меня прих... 8.1.2009, 13:15
Lithium лючок действительно не открывался ни снутри ни с н... 8.1.2009, 22:48
Anatoliy Самое лучшее в замочную скважину часовое масло в к... 9.1.2009, 0:45
intel я б не ставил бы вместо 15 ампер 40, стремно как т... 9.1.2009, 8:09
uriy20 В гараж машину ставить надо! 2.2.2009, 11:14
бобр Цитата(uriy20 @ 2.2.2009, 11:14) В гараж ... 2.2.2009, 16:26
niki А что тут удивительного - сказано переместить - зн... 2.2.2009, 23:54
Pawa Цитата(ТоЯматоКанава @ 6.1.2009, 11:05) Ц... 3.2.2009, 10:00
Daeron Блин! Только прочитал тему, ну дума - хоть люч... 3.2.2009, 10:43
Roitman По совету Niki запихнул шприцем твердой смазки. Пр... 3.2.2009, 13:25
Black 4 года за рулем выезжаю почти каждый день. Двери н... 13.3.2009, 12:44
Dimit Black, а от вазелина одежда не пачкается? 13.3.2009, 13:01
Black Цитата(Dimit @ 13.3.2009, 13:01) Black, а... 13.3.2009, 13:16
Dimit Про то, что он "технический" я видел, пр... 13.3.2009, 14:39
OB Зачем заморачиваться со всякими вазелинами?Есть сп... 24.3.2009, 8:23
Dimit OB, как оно называется то?
Я пользую силиконку в с... 24.3.2009, 10:46
OB Цитата(Dimit @ 24.3.2009, 10:46) OB, как ... 27.3.2009, 0:03
intel Цитата(OB @ 27.3.2009, 0:03) Называется R... 27.3.2009, 7:59
OB Цитата(intel @ 27.3.2009, 8:59) ты ж сдер... 30.3.2009, 7:43
ultram Тоже начал прихватывать в мороз центральный замок ... 31.1.2012, 16:17
Puric Цитата(ultram @ 31.1.2012, 16:17) ...Потр... 1.2.2012, 13:40
volander Цитата(Puric @ 1.2.2012, 13:40) у меня, с... 1.2.2012, 16:19
traffic Я пробрызгал резинки силиконовым спреем, а замок в... 11.2.2012, 22:49
Anatoliy Цитата(traffic @ 11.2.2012, 22:49) Я проб... 11.2.2012, 23:53
traffic Я замок мазал летом, кроме того я его из двери вын... 11.2.2012, 23:58
bad снаалом морозов біл прикол замезрал на водительско... 17.2.2012, 20:48
Lion bad, рецепт очень прост ! " 2 раза в год ... 17.2.2012, 21:49![]() ![]() |
| Текстовая версия | Сейчас: 6.11.2025, 23:10 |
| Разработка сайта: JetBrain, 2008 |