Здравствуйте, гость ( Вход | Регистрация )
14.6.2011, 11:25
Сообщение
#1
|
|
![]() Почетный нексиавод ![]() ![]() ![]() ![]() ![]() ![]() Группа: Пользователи Сообщений: 2405 Регистрация: 28.3.2008 Из: Украина, Днепропетровск Пол: |
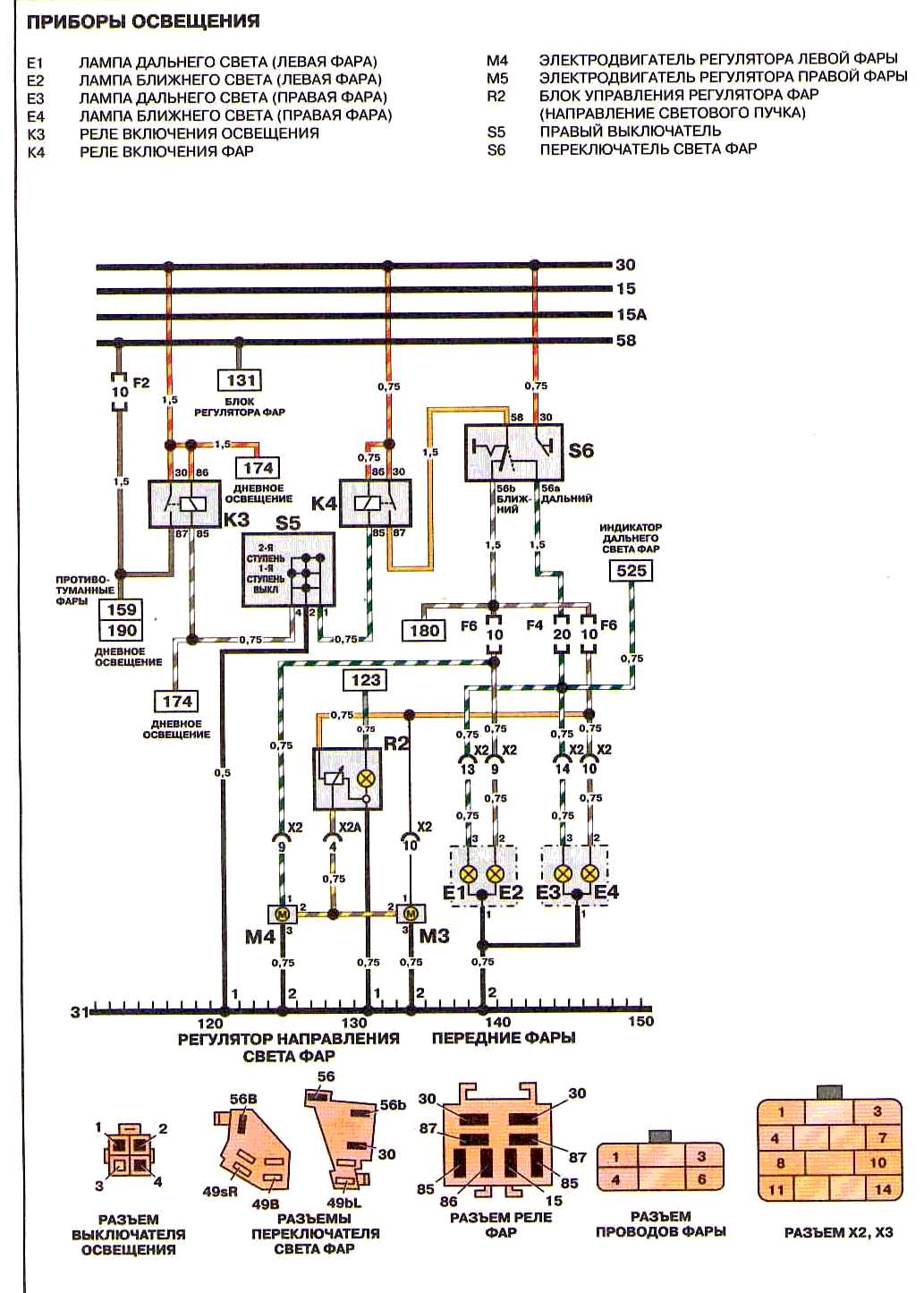
Вчера возвращался с моря и на очередном переключении ближний/дальний не выключался дальний.....точнее выключался если подергать ручку....потом просто горел ближний с дальним вместе....при включении поворота ближний загорался нормально, ну я корректор спустил вниз (ехать то домой надо было)...через время нормально заработал ближний...но дальний теперь не включаеться...только моргнуть можно....а "от себя" не включается.....подозревая ручку менять надо!!!! Надеюсь я прав!!!
Кстати попутно подходит ли Ланосовская ручка на Нексию?? -------------------- |
|
|
|
|
|
Puric Переключение главного света! 14.6.2011, 11:25
ромадим Цитата(Puric @ 14.6.2011, 12:25) подозрев... 14.6.2011, 11:40
Vik Цитата(Puric @ 14.6.2011, 12:25) Кстати п... 14.6.2011, 12:03
Puric Цитата(Vik @ 14.6.2011, 13:03) Нет, надо ... 14.6.2011, 13:24
Sergik Цитата(Puric @ 14.6.2011, 14:24) Разьем и... 14.6.2011, 14:00
Serega2308 Цитата(Sergik @ 14.6.2011, 14:00) Бери от... 16.12.2011, 18:40
Koc Так вроде б проблем с ксюхеными ручками нету! ... 15.6.2011, 20:14
Puric Цитата(Koc @ 15.6.2011, 21:14) Так вроде ... 16.6.2011, 9:03
roma Цитата(Puric @ 16.6.2011, 10:03) Читаю...... 16.6.2011, 15:28
Puric Цитата(roma @ 16.6.2011, 16:28) Нет, 90/1... 16.6.2011, 15:46
roma Цитата(Puric @ 16.6.2011, 16:46) .... рел... 16.6.2011, 20:21
roma Цитата(Puric @ 14.6.2011, 12:25) ... не в... 15.6.2011, 20:47
traffic Что-то мне кажется что 2*60=120Вт, а это 10А (при ... 16.6.2011, 17:54
Victor Вроде есть , (это на N100) или я ошибаюсь ....
16.6.2011, 18:36
Puric Тогда это реально печально((.... 17.6.2011, 9:31
Puric Вот после очередного моря, и пока не поставил релл... 29.8.2011, 12:02
FiRST888 ПОЧЕМУ НЕЛЬЗЯ ВКЛЮЧИТЬ БЛИЖНИЙ И ДАЛЬНИЙ ОДНОВРЕМЕ... 29.8.2011, 14:14
Puric Цитата(FiRST888 @ 29.8.2011, 15:14) ПОЧЕМ... 29.8.2011, 14:21
traffic Не понимаю я зачем дальний+ближний одновременно.
Е... 29.8.2011, 14:27
FiRST888 Цитата(traffic @ 29.8.2011, 15:27) Не пон... 29.8.2011, 14:35
Puric Цитата(FiRST888 @ 29.8.2011, 15:35) Так д... 29.8.2011, 14:53
traffic Что ближний что ПТФ (причём ПТФ светят ближе, чем ... 29.8.2011, 17:15
Денис86 Цитата(Puric @ 14.6.2011, 11:25) Вчера во... 23.5.2012, 7:11![]() ![]() |
| Текстовая версия | Сейчас: 1.4.2026, 22:21 |
| Разработка сайта: JetBrain, 2008 |