IPB

Здравствуйте, гость ( Вход | Регистрация )

> Переключение главного света!, Что то не работет, не знаю что!!!
Puric
сообщение 14.6.2011, 11:25
Сообщение #1


Почетный нексиавод
******

Группа: Пользователи
Сообщений: 2405
Регистрация: 28.3.2008
Из: Украина, Днепропетровск
Пол:



Вчера возвращался с моря и на очередном переключении ближний/дальний не выключался дальний.....точнее выключался если подергать ручку....потом просто горел ближний с дальним вместе....при включении поворота ближний загорался нормально, ну я корректор спустил вниз (ехать то домой надо было)...через время нормально заработал ближний...но дальний теперь не включаеться...только моргнуть можно....а "от себя" не включается.....подозревая ручку менять надо!!!! Надеюсь я прав!!!
Кстати попутно подходит ли Ланосовская ручка на Нексию??


--------------------
Перейти в начало страницы
Вставить ник
+Цитировать сообщение
2 страниц V   1 2 >  
Начать новую тему
Ответов (1 - 22)
ромадим
сообщение 14.6.2011, 11:40
Сообщение #2


iДоктор
******

Группа: Пользователи
Сообщений: 1416
Регистрация: 24.4.2010
Из: Сумы
Пол:



Цитата(Puric @ 14.6.2011, 12:25) *
подозревая ручку менять надо!!!! Надеюсь я прав!!!
Кстати попутно подходит ли Ланосовская ручка на Нексию??

Правильно подозреваешь.
В принципе я сам себе восстанавливал старую, там обгорают контакты, да и повороты непонятно как держутся, вот от нагрева ручки и начинается у тебя проблемы. Можно почистить контакты, потом немного разогнуть (когда они нагреваются то сами я так понял немного подгибаются). И все можно ездить дальше.
Перейти в начало страницы
Вставить ник
+Цитировать сообщение
Vik
сообщение 14.6.2011, 12:03
Сообщение #3


Почетный нексиавод
******

Группа: Пользователи
Сообщений: 2190
Регистрация: 20.10.2008
Из: г. Сумы
Пол:



Цитата(Puric @ 14.6.2011, 12:25) *
Кстати попутно подходит ли Ланосовская ручка на Нексию??

Нет, надо колхозить!


--------------------



Перейти в начало страницы
Вставить ник
+Цитировать сообщение
Puric
сообщение 14.6.2011, 13:24
Сообщение #4


Почетный нексиавод
******

Группа: Пользователи
Сообщений: 2405
Регистрация: 28.3.2008
Из: Украина, Днепропетровск
Пол:



Цитата(Vik @ 14.6.2011, 13:03) *
Нет, надо колхозить!

Разьем или посадочное место на колонку??? А то мне предлагали с дополнительным кольцом которое ПТФ включает)))


--------------------
Перейти в начало страницы
Вставить ник
+Цитировать сообщение
Sergik
сообщение 14.6.2011, 14:00
Сообщение #5


Почетный нексиавод
******

Группа: Пользователи
Сообщений: 1071
Регистрация: 30.11.2008
Из: Донецк
Пол:



Цитата(Puric @ 14.6.2011, 14:24) *
Разьем или посадочное место на колонку??? А то мне предлагали с дополнительным кольцом которое ПТФ включает)))


Бери от ШевиАвео2 с таким же кольцом- подходит, но проверь при покупке, есть шанс, что могут отличаться. А также там как-то хитро организована работа этого кольца (толи без фиксации или чето еще...). Я себе поставлю такую, даже обе, но когда с денежкой попроще будет, а на правой у шеви2 регулировка паузы омывателя. Думаю не надо объяснять, что немного придется разъем паузы переделывать под наш или наоборот. Но Ланосячьи без замены разъема (большого) не поставишь!!!

Сообщение отредактировал Sergik - 14.6.2011, 14:17


--------------------

Перейти в начало страницы
Вставить ник
+Цитировать сообщение
Koc
сообщение 15.6.2011, 20:14
Сообщение #6


Житель
***

Группа: Пользователи
Сообщений: 193
Регистрация: 26.9.2009
Из: Киев
Пол:



Так вроде б проблем с ксюхеными ручками нету! Стоит гдето 150 грн. На ланос такаяже цена! Зачем колхозить?
Перейти в начало страницы
Вставить ник
+Цитировать сообщение
roma
сообщение 15.6.2011, 20:47
Сообщение #7


Engineer
*******

Группа: Член клуба
Сообщений: 2518
Регистрация: 19.9.2008
Из: Kherson-->Nova Kakhovka-->Cherkasy-->Kirovograd-->Kremenchug-->Cherkasy
Авто:SUZUKI GRAND VITARA 2008
Пол:



Цитата(Puric @ 14.6.2011, 12:25) *
... не выключался дальний.....

Цитата(ромадим @ 14.6.2011, 12:40) *
... там обгорают контакты, да и повороты непонятно как держутся, вот от нагрева ручки и начинается у тебя проблемы...

Проблема известная, я уже давно себе реле поставил.
Вот курите...
http://www.nexia-club.ru/forum/topic/147172.htm
http://www.nexia-club.ru/forum/topic/121208.htm



--------------------
Упорство и прилежание лучше, чем беспутство и гений.
Перейти в начало страницы
Вставить ник
+Цитировать сообщение
Puric
сообщение 16.6.2011, 9:03
Сообщение #8


Почетный нексиавод
******

Группа: Пользователи
Сообщений: 2405
Регистрация: 28.3.2008
Из: Украина, Днепропетровск
Пол:



Цитата(Koc @ 15.6.2011, 21:14) *
Так вроде б проблем с ксюхеными ручками нету! Стоит гдето 150 грн. На ланос такаяже цена! Зачем колхозить?

Ну скажем на нексии дешевле в разы))) 110-80 грн.
А колхозить затем, что бы поставить на левой ручке еще один переключатель для нормальных ПТФ, а не колхозить кнопки, а правую, что бы добавить еще одну функцию для омывателя...кому одинарный проход...а кому омыватель на фары)))

Цитата(roma @ 15.6.2011, 21:47) *
Проблема известная, я уже давно себе реле поставил.
Вот курите...
http://www.nexia-club.ru/forum/topic/147172.htm
http://www.nexia-club.ru/forum/topic/121208.htm

Читаю....только вопрос....90/100w это я так понимаю 50+50% (осрам найт брейкер) туда относиться?? И из-за этого идет нагрузка на контакты ручки???


--------------------
Перейти в начало страницы
Вставить ник
+Цитировать сообщение
roma
сообщение 16.6.2011, 15:28
Сообщение #9


Engineer
*******

Группа: Член клуба
Сообщений: 2518
Регистрация: 19.9.2008
Из: Kherson-->Nova Kakhovka-->Cherkasy-->Kirovograd-->Kremenchug-->Cherkasy
Авто:SUZUKI GRAND VITARA 2008
Пол:



Цитата(Puric @ 16.6.2011, 10:03) *
Читаю....только вопрос....90/100w это я так понимаю 50+50% (осрам найт брейкер) туда относиться?? И из-за этого идет нагрузка на контакты ручки???

Нет, 90/100 W это лампы увеличенной мощности.
Стандарт это 55/60 W.
А +50%, это относится к улучшенному световому потоку, а не к мощности лампы.
Вот, почитай
http://www.test.org.ua/tests/auto-bike/24


--------------------
Упорство и прилежание лучше, чем беспутство и гений.
Перейти в начало страницы
Вставить ник
+Цитировать сообщение
Puric
сообщение 16.6.2011, 15:46
Сообщение #10


Почетный нексиавод
******

Группа: Пользователи
Сообщений: 2405
Регистрация: 28.3.2008
Из: Украина, Днепропетровск
Пол:



Цитата(roma @ 16.6.2011, 16:28) *
Нет, 90/100 W это лампы увеличенной мощности.
Стандарт это 55/60 W.
А +50%, это относится к улучшенному световому потоку, а не к мощности лампы.
Вот, почитай
http://www.test.org.ua/tests/auto-bike/24

Я пока не успел добраться до электросхем но я так по прочитанному и по памяти понял что реллюшек что на ближний что на дальний у нас не установленно??? Я правильно понял??? (Просто недавно лазил искал предохранитель на матисе и там все это было!!!)


--------------------
Перейти в начало страницы
Вставить ник
+Цитировать сообщение
traffic
сообщение 16.6.2011, 17:54
Сообщение #11


Мегафлудер
*******

Группа: Главные администраторы
Сообщений: 15694
Регистрация: 6.10.2008
Из: Киев, позняки
Пол:



Что-то мне кажется что 2*60=120Вт, а это 10А (при включении - больше) ручки без релюх могут просто не вытянуть.
Действительно чтоли релюх нет?


--------------------
Связь - как воздух: пока не испортится - её не замечают
Перейти в начало страницы
Вставить ник
+Цитировать сообщение
Victor
сообщение 16.6.2011, 18:36
Сообщение #12


Участник
**

Группа: Пользователи
Сообщений: 95
Регистрация: 24.8.2009
Из: Днепропетровск / Парус
Пол:



Вроде есть , (это на N100) или я ошибаюсь ....
Прикрепленное изображение

Прикрепленное изображение


--------------------
Перейти в начало страницы
Вставить ник
+Цитировать сообщение
roma
сообщение 16.6.2011, 20:21
Сообщение #13


Engineer
*******

Группа: Член клуба
Сообщений: 2518
Регистрация: 19.9.2008
Из: Kherson-->Nova Kakhovka-->Cherkasy-->Kirovograd-->Kremenchug-->Cherkasy
Авто:SUZUKI GRAND VITARA 2008
Пол:



Цитата(Puric @ 16.6.2011, 16:46) *
.... реллюшек что на ближний что на дальний у нас не установленно??? Я правильно понял???...

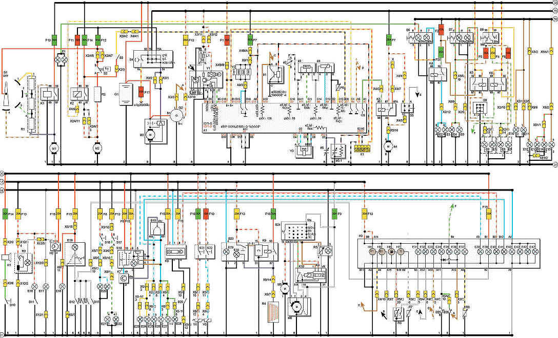
Нету реле, реле на противотуманки есть, а на ближний дальний нет.
Прикрепленное изображение


--------------------
Упорство и прилежание лучше, чем беспутство и гений.
Перейти в начало страницы
Вставить ник
+Цитировать сообщение
Puric
сообщение 17.6.2011, 9:31
Сообщение #14


Почетный нексиавод
******

Группа: Пользователи
Сообщений: 2405
Регистрация: 28.3.2008
Из: Украина, Днепропетровск
Пол:



Тогда это реально печально((....


--------------------
Перейти в начало страницы
Вставить ник
+Цитировать сообщение
Puric
сообщение 29.8.2011, 12:02
Сообщение #15


Почетный нексиавод
******

Группа: Пользователи
Сообщений: 2405
Регистрация: 28.3.2008
Из: Украина, Днепропетровск
Пол:



Вот после очередного моря, и пока не поставил реллюшки решил я починить переключетель света.
Сначала разобрал корпус поддев крышку между двумя защелками (показанно красной стрелкой) что бы не обломать их

Потом вынул штуку которая отбрасывает ручку поворота при завершении.

Потом зачемто снял пружинку которую трогать не надо, мешать она не мешает, но вставлять обратно ОЧЕНЬ не удобно

И вконце концов снял спокойно рычаг, потянув его вверх, после чего выпала "П" образная пластина отвечающая за котнатк поворотов (надо было кверх ногами разбирать)

И вконце концов обнаружил, что правый контакт (отвечающий за ближний наверно) сплавился с ответным контактом при помощи части пластика держажего эту контактную пластину. При этом контакт не давал ручке нажать достаточно на левую пластину, которая отвечала за дальний!

Вобщем небольшое постукивание, читска контактов, временно устранила проблему, вот только выемка от стекшего пластика по прежнему может заклинить контакт, так что новая ручка и теперь уже релле ждут время что бы поставить!!!


--------------------
Перейти в начало страницы
Вставить ник
+Цитировать сообщение
FiRST888
сообщение 29.8.2011, 14:14
Сообщение #16


Любитель
****

Группа: Пользователи
Сообщений: 463
Регистрация: 14.2.2010
Из: Украина - Кривой Рог
Авто:Nexia
Пол:



ПОЧЕМУ НЕЛЬЗЯ ВКЛЮЧИТЬ БЛИЖНИЙ И ДАЛЬНИЙ ОДНОВРЕМЕННО ????
Когда я тяну ручку переключения света на себя и удерживаю ее, свет дальний + ближний отлично лупит.
Когда включаю дальний, лупит только дальний, но не на дорогу, а в даль.
Как сделать что бы и дальний и ближний лупил одновременно, и при этом что бы я переключатель света не держал всю дорогу ))
Перейти в начало страницы
Вставить ник
+Цитировать сообщение
Puric
сообщение 29.8.2011, 14:21
Сообщение #17


Почетный нексиавод
******

Группа: Пользователи
Сообщений: 2405
Регистрация: 28.3.2008
Из: Украина, Днепропетровск
Пол:



Цитата(FiRST888 @ 29.8.2011, 15:14) *
ПОЧЕМУ НЕЛЬЗЯ ВКЛЮЧИТЬ БЛИЖНИЙ И ДАЛЬНИЙ ОДНОВРЕМЕННО ????
Когда я тяну ручку переключения света на себя и удерживаю ее, свет дальний + ближний отлично лупит.
Когда включаю дальний, лупит только дальний, но не на дорогу, а в даль.
Как сделать что бы и дальний и ближний лупил одновременно, и при этом что бы я переключатель света не держал всю дорогу ))

Посмотри фото выше, ручка устроена так, что когда ты тянеш на себя, то прото один контакт (дальнего нажимаеться), а вот когда толкаеш от себя, то нажимаються оба контакта, при этом ближний размыкаеться, а дальний замыкаеться! Конечно можно поставить перемычку на ближний, что бы он просто не размыкался (как я понял он замкнут постоянно, даже при выключенном свете, кроме как в режиме дальний), но это черевато перегревом контактов, так что тут без релле тогда не обойтись!!


--------------------
Перейти в начало страницы
Вставить ник
+Цитировать сообщение
traffic
сообщение 29.8.2011, 14:27
Сообщение #18


Мегафлудер
*******

Группа: Главные администраторы
Сообщений: 15694
Регистрация: 6.10.2008
Из: Киев, позняки
Пол:



Не понимаю я зачем дальний+ближний одновременно.
Едешь медленно - включай ближний, а если никого нет и едешь быстро - включай дальний
Ближний на большой скорости только мешает (как и противотуманки)


--------------------
Связь - как воздух: пока не испортится - её не замечают
Перейти в начало страницы
Вставить ник
+Цитировать сообщение
FiRST888
сообщение 29.8.2011, 14:35
Сообщение #19


Любитель
****

Группа: Пользователи
Сообщений: 463
Регистрация: 14.2.2010
Из: Украина - Кривой Рог
Авто:Nexia
Пол:



Цитата(traffic @ 29.8.2011, 15:27) *
Не понимаю я зачем дальний+ближний одновременно.
Едешь медленно - включай ближний, а если никого нет и едешь быстро - включай дальний
Ближний на большой скорости только мешает (как и противотуманки)

Так дальний лупит прямо, очень плохо освещая под капот, метров 50.
А ближний и дальний вообще классно светит.
Может у меня просто дальний не настроен..

Хочу противотуманки купить, что не стоит ?
Ближнего света не хватает..
Перейти в начало страницы
Вставить ник
+Цитировать сообщение
Puric
сообщение 29.8.2011, 14:53
Сообщение #20


Почетный нексиавод
******

Группа: Пользователи
Сообщений: 2405
Регистрация: 28.3.2008
Из: Украина, Днепропетровск
Пол:



Цитата(FiRST888 @ 29.8.2011, 15:35) *
Так дальний лупит прямо, очень плохо освещая под капот, метров 50.
А ближний и дальний вообще классно светит.
Может у меня просто дальний не настроен..

Хочу противотуманки купить, что не стоит ?
Ближнего света не хватает..

Это да, я после установки ПТФ как то проще езжу по неосвещенным участкам, кстати как сказал один знакомый, дальним вообще вредно пользоваться.

Да дальний никак не настроиш, если высоко задрать ближний, то про дальний можно забыть, он в небо светить будет!!!

Впринципе после установки ПТФ и если нормально настроен свет, то мучаться с совмесным ближний+дальний не прийдеться!!! Вот только у меня в ПТФ облез отражатель, так как поставил мощные лампочки и ездил не выключая его ни в городе, ни за!!! Що на подфарниках, что на ближнем!!!


--------------------
Перейти в начало страницы
Вставить ник
+Цитировать сообщение
traffic
сообщение 29.8.2011, 17:15
Сообщение #21


Мегафлудер
*******

Группа: Главные администраторы
Сообщений: 15694
Регистрация: 6.10.2008
Из: Киев, позняки
Пол:



Что ближний что ПТФ (причём ПТФ светят ближе, чем ближний) за счёт отражённого света сдвигают границу видимости ближе к машине, соответственно на большой скорости это не имеет никакого смысла, да и опасно в общем-то.
Дальний свет в нексии (2007г, N100) меня полностью устраивает, а вот в ближнем немного напрягают дырки в пятне.
Противотуманки включаю либо в туман либо когда еду по очень неровной дороге - в любом случае о скорости речь уже не идёт.

Всё это моё imho2.gif


--------------------
Связь - как воздух: пока не испортится - её не замечают
Перейти в начало страницы
Вставить ник
+Цитировать сообщение
Serega2308
сообщение 16.12.2011, 18:40
Сообщение #22


Почетный нексиавод
******

Группа: Пользователи
Сообщений: 1545
Регистрация: 17.10.2010
Авто:Daewoo
Пол:



Цитата(Sergik @ 14.6.2011, 14:00) *
Бери от ШевиАвео2 с таким же кольцом- подходит, но проверь при покупке, есть шанс, что могут отличаться. А также там как-то хитро организована работа этого кольца (толи без фиксации или чето еще...). Я себе поставлю такую, даже обе, но когда с денежкой попроще будет, а на правой у шеви2 регулировка паузы омывателя. Думаю не надо объяснять, что немного придется разъем паузы переделывать под наш или наоборот. Но Ланосячьи без замены разъема (большого) не поставишь!!!


Номерок в Exist знаешь ???
Перейти в начало страницы
Вставить ник
+Цитировать сообщение
Денис86
сообщение 23.5.2012, 7:11
Сообщение #23





Группа: Пользователи
Сообщений: 3
Регистрация: 20.5.2012
Авто:nexia n150
Пол:



Цитата(Puric @ 14.6.2011, 11:25) *
Вчера возвращался с моря и на очередном переключении ближний/дальний не выключался дальний.....точнее выключался если подергать ручку....потом просто горел ближний с дальним вместе....при включении поворота ближний загорался нормально, ну я корректор спустил вниз (ехать то домой надо было)...через время нормально заработал ближний...но дальний теперь не включаеться...только моргнуть можно....а "от себя" не включается.....подозревая ручку менять надо!!!! Надеюсь я прав!!!
Кстати попутно подходит ли Ланосовская ручка на Нексию??



У меня была такая же проблема на моей прежней ксю, лечится за пол часа- час , и тратится на новый переключатель не надо. Нужно снять его, разобрать, осторожно шарик не потеряй только, и подогнуть чуть-чуть(пол милиметра) один из контактов так что бы он не замыкал на верхнюю площадку. на рисунке стрелкой я показал.
Эскизы прикрепленных изображений
Прикрепленное изображение
 
Перейти в начало страницы
Вставить ник
+Цитировать сообщение

2 страниц V   1 2 >
Ответить в данную темуНачать новую тему
1 чел. читают эту тему (гостей: 1, скрытых пользователей: 0)
Пользователей: 0

 



Текстовая версия Сейчас: 2.4.2026, 2:42
Разработка сайта: JetBrain, 2008