Помощь - Поиск - Пользователи - Календарь
Полная версия этой страницы: Установка кондиционера, что для этого нужно?
Ukrainian NEXIA CLUB (Украинский Нексия Клуб) > Технический раздел > Электрооборудование
Страницы: 1, 2
sergjy
Решился установить кондиционер, знаю что наши форумчани устанавливали. Прошу помощи, опишите в каком порядке и последовательности что куда ставить и цеплять? Может есть какие-то нюансы которые нужно знать? Комплект б.у. кондера едет. Есть вроде-бы все кроме проводки и релюшек. Как сделать самому проводку для кондиционера?
sergjy
Всем привет, решил отписаться. Получил кандер снятый с поляка. Есть вроде-бы все, кроме болтов и проводки. Нужно найти проводку и болты крепления кандера, плиты и всего остального.
Проводка нужна от аккумулятора, правильно я понимаю? По салону проводка есть? Или тоже нужна проводка по салону?
traffic
Насчёт от аккумулятора я ХЗ, но у меня проводка идёт от датчиков к ЭБУ, от ЭБУ к реле в блоке предохранителей, а уже от него на муфту + отдельное реле на низкую скорость вентиляторов там же, а возле аккумулятора только резисторы этой самой низкой скорости расположены.
К тому же ещё есть проводка от кнопки включение кондиционера к тому же ЭБУ.
К аккумулятору вроде ничего нет.
Dissa
Под торпедой у меня была уже проложена с завода проводка, доставил 2 реле, поменял блок управления отоплением с кнопкой АС. Проводил проводку только от датчика (на трубке) к мозгам и доп. устанавливал 2 резистора на малую скорость и провел 2 провода на муфту кондиционера. Все это проводил (проводку) от разъема слева возле аккумулятора. К этому разъему провода на муфту и резисторы были.
До этого я все проверял -вызванивал, что куда идет. Было это в 2012г.
sergjy
Фото полученных запчастей кондиционера. Есть сломанные трубки на краях, пока не приложу ума что с ними делать. Нехватает двох реле, как писали на форуме, и нет проводки, нет болтов которыми прикрутить плиту с компрессором, если кто знает где купить помогите. Если еще чего-то не хватает, пишите чего именно? Буду докуплять. Радиатор кондиционера мне тоже не очень нравится, состояние не ахти и на нем лопнутая трубка, тоже не знаю что делать, варить трубку или покупать новый радиатор? По поводу компрессора: говорят если компрессор старый или долго лежит его под ремонт. Так это или можно ставить? Сегодня я целый день возился с этим добром. Не приложу ума с чего начинать? Подскажите что первым делом устанавливать? Какая последовательность выполнения работ?
Dissa
Печальное состояние. Кожух печки тебе тот не нужен, у тебя свой есть. Только испаритель. Радиатор и лопнувшие трубки код замену, т.к. присутствует высокое давление. На последней фотке резисторы печки не нужны. Болты найти можно. Натяжной ролик тоже код замену. Датчики у тебя на компрессоре стоят? Не вижу резисторов на малую скорость. Завтра спину список того, что нужно.
sergjy
Цитата(Dissa @ 7.8.2015, 22:57) *
Печальное состояние. Кожух печки тебе тот не нужен, у тебя свой есть. Только испаритель. Радиатор и лопнувшие трубки код замену, т.к. присутствует высокое давление. На последней фотке резисторы печки не нужны. Болты найти можно. Натяжной ролик тоже код замену. Датчики у тебя на компрессоре стоят? Не вижу резисторов на малую скорость. Завтра спину список того, что нужно.

С радиатором и лопнувшими трубками понятно, а почему натяжной ролик под замену? По поводу датчиков на компрессоре не знаю, где именно посмотреть? Резисторов на малую скорость нет, он мне прислал вместо их последняя фотка резисторы печки.
Dissa
Натяжной ролик, я так понял его давненько не меняли. А он сильно долго не ходит. Я просто рекомендую. По поводу резисторов, то отошли ему назад, а пусть пришлет, какие нужно, т.к. их найти проблематично, но можно. Их две штуки на одной планке. На компрессоре на задней части два датчика двух контактных.
Dissa
№ Part N Наименование
1 96191807 Компрессор
1 96265216 Радиатор кондиционера C60&REF-VAT
2 96122364 Опора передняя С60
3 10080305 Винт (4шт. в вазовском магазине) С60 4.2X1 41X16
4 09148-04017 Гайка (4 шт. в вазовском магазине) С60
7 90245007 Уплотнение изоляционное С60
10 HR132836 Бачок хладагента в сборе C60&REF
11 96178549 Кронштейн бачка хладагента C60-EEC/XRA
12 96133618 Винт крепления бачка хладагента
14 96297630 Шланг хладагента
15 11040075 Винт М 10X32
17 96185078 Трубка радиатора кондиционера
18 96178546 Трубка испарителя
19 96167933 Трубка испарителя
20 96185076 Кольцо 15.49X2.62
21 96208508 Шланг нагнетающий хладагента
22 96213038 Выключатель компрессора
23 09280-08001 Кольцо 6.4X1.9
24 11072642 Винт (в магазине) 6.3X16 3
26 1845404 Переходник (нет такого) &С60
27 09280-18002 Кольцо 7.65X1.78
28 09280-12001 Кольцо 10.82X1.78
29 09280-18002 Кольцо 16.3X2.0
30 96211764 Шланг дренажный SC60
31 09401-20401 Хомут (в магазине) LC23
1 96353012 Кронштейн крепления компрессора
2 09103-10040 Винт 4шт. М 10X25 (в магазине)
3 96193361 Ось шкива натяжителя
4 09100-08008 Винт натяжной
5 96209433 Втулка
6 96208428 Шкив натяжной в сборе
7 11069873 Гайка М10Х1.5
8 01517-08853 Болт стопорный 4шт. с гайками (в магазине)
10 96158346 Пластина защитная
11 90245146 Шпилька 3шт.
12 11043016 Шайба пружинная 3шт.
13 11014033 Гайка 3шт. М8
16 611524 Кронштейн крепления испарителя
18 611525 Зажим
20 611114 Радиатор испарителя
2 96227934 Жгут проводов передний HL4-T97
11 96256603 Вентилятор вспомогательный в сборе
12 915906001 Гайка 3шт. (в магазине) М6Х18
13 96222508 Пульт управ. кондиционером нексия
90244312 Реле малогабаритное на 16А
96187780 Резисторы на малую скорость
Ремень кондиционера
Вакуумирование и заправка фреоном

Реле на 15(16)А, предохранители F11, F12.
Размеры колец.
15.49*2.62
6.4*1.9
7.65*1.78
16.3*2.0
10.82*1.78


Более подробно описано тут.
http://www.nexia-club.ru/ekspluataciya/ven...atelno.295.html
И тут схема с деталями, что где стоит
http://www.dinol.mk.ua/catalog_DAEWOO_NEXIA_8_4.php
По резисторам и проводке.
https://www.drive2.ru/l/1657530/

Схема.
Нажмите для просмотра прикрепленного файла

Я не знаю какая марка (тип) ЭБУ у тебя. У тебя 8кл. или 16кл.?
sergjy
8-ми клапанная.
Dissa
Что на ЭБУ написано? С синими или черными разъемами ЭБУ?
sergjy
Цитата(Dissa @ 8.8.2015, 17:42) *
Что на ЭБУ написано? С синими или черными разъемами ЭБУ?

sergjy
Сделал первый шаг! Установил радиатор ''испаритель'' в салон. И блок управление печкой с кнопкой кондиционера. Тяжко було.
Dissa
Цитата(sergjy @ 10.8.2015, 15:09) *
Сделал первый шаг! Установил радиатор ''испаритель'' в салон. И блок управление печкой с кнопкой кондиционера. Тяжко було.

Так как испаритель воткнул все таки? Ралиатор печки снимал?
sergjy
Цитата(Dissa @ 10.8.2015, 18:02) *
Так как испаритель воткнул все таки? Ралиатор печки снимал?

Воткнул, радиатор печки по максимум отвел в левую сторону и впихнул испаритель.
sergjy
Денис, что по поводу моего ЭБУ? Фото выше, разъемы синие.
Dissa
По блоку понял, что у тебя стоит RCО. Лямбды у тебя нет, т.к. и модуля зажигания. Стоит трамблер.
Заводской номер контроллера 16207709
Тип контроллера IEFI-6
Маркировка контроллера ES
1,5L 8V SOHC, МТ

На трубке, что идет возле воздушного фильтра, должен быть датчик низкого давления (его обычно замыкают для заправки и поиска утечки, что бы кондюк включился, бывает, что часто он портится) он у тебя
http://nexia-club.com.ua/index.php?s=&...st&p=246490
на третьей фотографии круглый двух контактный.
На компрессоре сзади прикрыто металлической защитой стоят две фишки двух контактные (синяя и красная) + еще одна плоская на муфту компрессора.
Синяя - датчик включения вентиляторов с него идет на ЭБУ (подает питание на ЭБУ), красный - высокого давления. Тот что на трубке и красный, должны быть последовательно соединены, т.е. (при срабатывании хоть одного - система не включится).
Самое лучше найти жгут передний (96245058 с кондюком, (не знаю ПТФ есть ли)), (к доп.вентилятору +резисторы + к датчикам кондиционера и муфту + должно быть в этой проводке на ПТФ, если у тебя они есть).
На самом ЭБУ должны отсутствовать провода на D5, C7, A9, A10. Их нужно вызвонить и подключить согласно схеме.
Вообще то нужно толкового грамотного электрика, электронщика, что бы мог все цепи проверить и подключить. В принципе ничего сложного, только взять схему и тестер и каждую цепочку прозвонить. Мне лично было всего на эбу подсоединить 2 провода. Но у меня другая схема и один датчик на кондиционере.
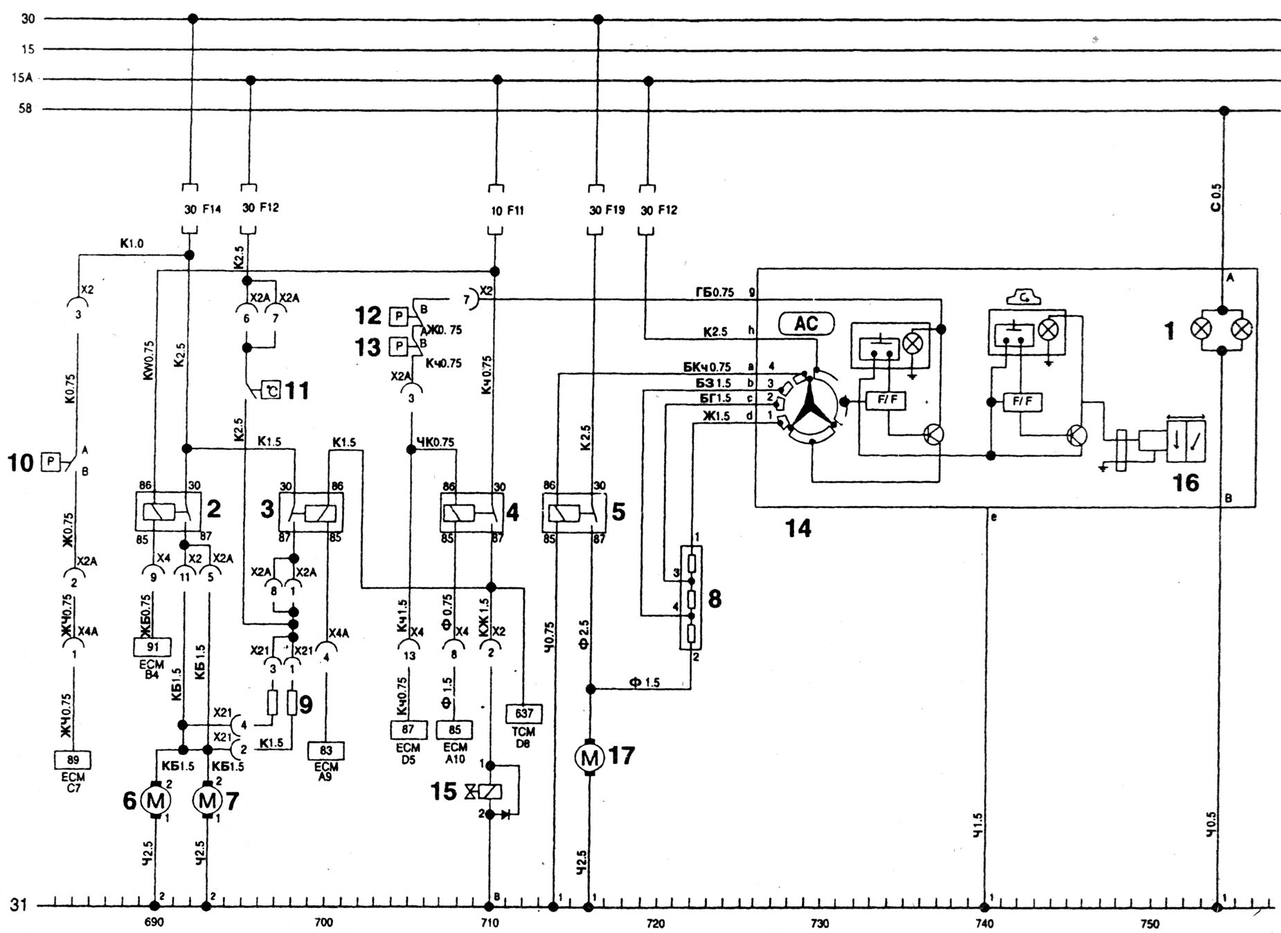
Нажмите для просмотра прикрепленного файла
Нажмите для просмотра прикрепленного файла
Нажмите для просмотра прикрепленного файла
К1 Вентилятор системы охлаждения (высокая скорость)
К2 Указатели поворота
К3 Топливный насос
К4 Противотуманные фары, Задние противотуманные фонари
К5 Габаритные огни, противотуманные фары
К6 Фары головного света
К7 Вентилятор системы охлаждения (низкая скорость)
К8 Муфта компрессора кондиционера
К9 Звуковой сигнал
К10 Фары головного света
К11 Мелодичный сигнал
К12 Включение 4-й скорости вентилятора отопителя
К13 Система зажигания
К14 Очиститель ветрового стекла
К15 Таймер обогрева заднего стекла
Нужно установить реле К7 и К8.
Нажмите для просмотра прикрепленного файла
F1 ЭБУ (цепь от батареи).
F2 Лампы габаритного света, фонари освещения номерного знака, подсветка комбинации приборов и органов управления.
F3 Цепь реле системы зажигания.
F4 Лампы дальнего света фар.
F5 Лампа ближнего света левой фары. Электропривод регулятора направления светового пучка левой фары.
F6 Лампа ближнего света правой фары. Электропривод регулятора направления светового пучка правой фары,
F7 Электро бензонасос, топливные форсунки.
F8 Указатели поворота, лампы сигналов торможения.
F9 Очиститель ветрового стекла.
F10 Привод крышки лючка горловины топливного бака.
F11 Реле включения электромагнитной муфты компрессора кондиционера.
F12 Электродвигатель вентилятора системы охлаждения (малая скорость). Вентилятор отопителя.
F13 Лампы света заднего хода. Цепь возбуждения генератора. Комбинация приборов, прикуриватель, звуковой мелодичный сигнал, часы.
F14 Звуковой сигнал, Вентилятор системы охлаждения (высокая скорость).
F15 Аварийная сигнализация. Лампа плафона освещения салона. Лампа плафона освещения багажника.
F16 Мотор-редукторы стекло подъемников.
F17 Аудиосистема (цепь от замка зажигания).
F18 Управление замком крышки багажника. Таймер электро обогрева заднего стекла. Центральный замок. Аудиосистема (цепь от батареи).
F19 Реле 4-й скорости электро вентилятора отопителя.
F20 Противотуманные фары.
Нужно установить предохранитель на 10А F11.
Передний жгут проводки подключается к разъемам Х2 и Х2А.
Прозвонку цепей к ЭБУ провести на разъемах Х4 и Х4А под бардачком (на включение реле компрессора, низкой скорости вентиляторов, сигнал включения с блока отопителя, сигнал включения вентиляторов с датчика установленного на компрессоре).
Нажмите для просмотра прикрепленного файла
Резисторы на малую скорость вентиляторов устанавливаются тут
Нажмите для просмотра прикрепленного файла
sergjy
Денис, спасибо тебе за грамотный ответ. Птф у меня проводки нет, птф устанавливал сам и проводку под птф делал отдельно. Вечером сделаю фото разъемов которые у меня есть возле аккумулятора.
sergjy
Решил отписаться smile.gif , на выходных получил долгожданный rolleyes.gif радиатор кондея NISSENS брал тут:
http://vsemavto.com/product.php?id_orderproduct=12806973, комплектация бедная, в комплекте заместо 3-х болтов крепления вентилятора было 2 и все. Пришлось перекручивать с старого болты крепления вентилятора. гайки и шайбы.
Вчера установил его, перед установкой вентилятора промовилел места крепления болтов. Так же на болты надел термоусадку. Особо трудностей не возникало, стал на свое штатное место как родной, после установки радиатора установил на него вентилятор.
Так же заменил передний жгут проводки, на проводку с кондиционером и ПТФ. Заменил натяжной ролик на переходной плите и установил салонный фильтр (угольный) Нексия Невский фильтр брал тут:
https://detali.zp.ua/catalog/55960-filtr_sa...nyj_neksija_nf/
Следующим этом будет установка плиты компрессора и сам компрессор и бачок осушителя. Вот только надо будет подумать куда перенести газовый фильтр, он у меня стоит как раз на том месте где должен быть осушитель.
sergjy
Вопрос к Денису, смотрел на свой блок предохранителей. Там где должны стоять реле кондиционера и ПТФ колодка у меня пустая, проводов там нет. Хотя от аккумулятора где подключается жгут проводки, на колодке нет свободных мест. Что делать, где искать? Фото блока предохранителей ниже.
traffic
Дык вроде как болта и должно быть 2 т.к. третий вроде как обычный, а не "хитрый".

А реле кондиционера, если не ошибаюсь, второе справа среди 5 одинаковых (правое мелкое над синей релюхой).
sergjy
Цитата(traffic @ 31.8.2015, 19:23) *
Дык вроде как болта и должно быть 2 т.к. третий вроде как обычный, а не "хитрый".

А реле кондиционера, если не ошибаюсь, второе справа среди 5 одинаковых (правое мелкое над синей релюхой).

Спасибо за ответ. Я не знал. Странно, что у меня делает реле кондея у нексии без комплектации кондея и птф?
Dissa
Цитата(sergjy @ 31.8.2015, 15:27) *
Вопрос к Денису, смотрел на свой блок предохранителей. Там где должны стоять реле кондиционера и ПТФ колодка у меня пустая, проводов там нет. Хотя от аккумулятора где подключается жгут проводки, на колодке нет свободных мест. Что делать, где искать? Фото блока предохранителей ниже.

Так у тебя вроде стоят все реле.
http://www.avtodiagnostika.info/blok-predo...0-do-2008-goda/
traffic
Цитата(sergjy @ 31.8.2015, 20:14) *
Спасибо за ответ. Я не знал. Странно, что у меня делает реле кондея у нексии без комплектации кондея и птф?

Да не за что.
Видать блок универсальный, ну или другого на складе не оказалось wink.gif
sergjy
Сегодня обнаружил что оба вентилятора охлаждения радиаторов включаются при вкл. зажигания, включаются на низкой скорости. Это после того как я заменил проводку переднего жгута проводов. Надо искать в чем проблема?
traffic
Этого быть не должно.
Конечно нужно искать - а то остановишься на природе часок музыку послушать - а тут раз - и акум сел sad.gif
Низкая скорость включается ЭБУ через соответствующую релюху.
Dissa
Цитата(sergjy @ 31.8.2015, 21:36) *
Сегодня обнаружил что оба вентилятора охлаждения радиаторов включаются при вкл. зажигания, включаются на низкой скорости. Это после того как я заменил проводку переднего жгута проводов. Надо искать в чем проблема?

Я так понял проводка вместе с резисторами шла.
sergjy
Цитата(Dissa @ 31.8.2015, 22:11) *
Я так понял проводка вместе с резисторами шла.

Да, вместе с резисторами.
sergjy
Что обнаружил, сегодня с утра сел в авто включил зажигание открыл капот вентиляторы не крутятся shok.gif страно подумал я. Когда проехался совсем не много, двигатель немного прогрелся по показаметру стрелка дошла до первого деления вентиляторы включились на первой скорости. Что может быть? Когда скидаю клему с датчика ОЖ вентиляторы останавливаются. Датчик?
Dissa
Бортового нет у тебя? Можно тестером проверить при +20С должно быть в пределах 3.5кОм. При увеличении температуры сопротивление уменьшается. Когда его отключил, сопротивление равно бесконечности, эбу может перейти в аварийный режим /включить вентиляторы/ может загореться чек, а может эбу думать, что очень низкая температура. В любом случае нужно проверить, а также контакты на датчике.
sergjy
Цитата(Dissa @ 1.9.2015, 18:45) *
Бортового нет у тебя? Можно тестером проверить при +20С должно быть в пределах 3.5кОм. При увеличении температуры сопротивление уменьшается. Когда его отключил, сопротивление равно бесконечности, эбу может перейти в аварийный режим /включить вентиляторы/ может загореться чек, а может эбу думать, что очень низкая температура. В любом случае нужно проверить, а также контакты на датчике.

Боротового нет. Снял с датчика провода, цешкой проверил датчик - показывает короткое, мотор еще был горячий. Включил зажигание на проводах которые идут к датчику ОЖ 12в. + - у датчика ОЖ есть или ему все равно как подключать к нему провода? Вечером ездил вентиляторы не включались, как-то странно. Сделано было: поменяны провода + - 12в. которые идут к датчику ОЖ.
traffic
Там генератор тока стоит - т.е. ЭБУ измеряет сопротивление ДТОЖ.
Сам датчик - терморезистор - ему побоку какой стороной к нему питангие подавать.
Если датчик замкнут, то ЭБУ будет видеть температуру более 130 градусов и врубать максимальную скорость вентиляторов.

Возможно предел на цешке не тот или батарейка села...
Dissa
Цитата(sergjy @ 1.9.2015, 21:39) *
Снял с датчика провода, цешкой проверил датчик - показывает короткое,

Сколько (Ом) показывал тестер?
sergjy
Цитата(Dissa @ 1.9.2015, 23:24) *
Сколько (Ом) показывал тестер?

Замерял сегодня тестером, как-то странно себя ведет датчик, тестер показивает 20 Ом, то скачит 60 Ом. Двигатель был немного нагрет.
sergjy
Сегодня проделано не мало роботы smile.gif Перенес газовый фильтр, так как он стоял на месте осушителя. Перед установкой переходную плиту почистил и покрасил (теперь как новенькая) фото ниже. Прогнал резьбу в блоке мечиком так как она была забита гразью, прикрутил переходную плиту и после прикрутил компрессор, все прикручивал с ямы открутив с низу пластмасовую защиту. Верхние болты компрессора нужно запихать вместе с компрессором, дабы потом не снимать еще раз компрессор (как делал я). Натянул ремень завел все крутится, но как-то шуршит муфта компрессора, мне не нравится. Может так и должно?
Теперь как я понимаю мне нужно проверить работает ли у меня проводка. Для этого нужно замкнуть датчик высокого давления (тот что на трубке двух контактный) и должна сработать муфта и покрутится компресор правильно? Если я ошибаюсь поправьте меня на правильный путь.
Dissa
Да. Я вроде писал выше.
http://nexia-club.com.ua/index.php?s=&...st&p=246606
sergjy
С утра пошел проверить идет ли сигнал при замыкании датчика низкого давления. Замкнул датчик низкого давления (тот что на трубке 2-х контактный) снял фишку с компрессора та что включает муфту, стал цешкой на эту фишку завел машину включил вентилятор печки на 1-ю скорость включил кнопку кондиционера и о чуду я даже по двигателе услышал что обороты поднялись smile.gif соответственно на фишке включение муфты цешка показала 13.5 вольт. Значит проводка к мозгам и блоку предохранителей у меня заложена с завода.
Думаю следующий этап будет поездкой в г. Крывой Рог к кондиционерщикам на монтаж трубок и заправкой фреоном. Я созванивался сказали что-бы я трубки не цеплял так как они будут менять кругом уплотнительные кольца.
sergjy
Решил заправить кондей у себя в городе, нашел парня который заправляет. Надо собрать трубки, так как колечка уплотнительные все б.у. хочу заменить на новые. Маленькие колечка нашел на сайте каталожный номер 94535504. Не могу найти каталожные номера резиновых колец уплотнительных, те что соединяют трубка от компрессора к осушителю. Линейкой замерил 1.9 см.
Напишите кто знает.
Dissa
Может это 09280-18002
http://www.czdrafel.cz/krouzek-o-1639x20-klimatizace-p6866
Должно подходить от испарителя (трубка)
Пункт 29 списка.
http://nexia-club.com.ua/index.php?s=&...st&p=246512
sergjy
Верно, они 09280-18002.
Когда буду собирать трубки, колечка чем-то смазывать надо, читал вроде компрессорным маслом, верно? Когда буду компрессор заправлять, масло доливать в компрессор надо (что за марка масла) и сколько, и сколько нужно фреона r134a для заправки, где-то читал вроде 710-750 грамм, правильно?
Dissa
Масло синтетика для R134а - 265гр.
Фреон R134а - 730мл.
На табличке компрессора написано.
sergjy
Хочу купить таких запчастей на кондей: https://www.drive2.ru/l/4107822/ может кто-то подскажет где купить? Амортизитора кондея у меня вообще нет, резинки у меня были с трубками оригинальные, одна резинка большая 96176434 под замену (трещины), купил как для газа маслостойкая и чуть толще но вроде стает нормально (будет на трубке от компрессора на осушитель).
Dissa
Цитата(sergjy @ 11.9.2015, 9:45) *
Амортизитора кондея у меня вообще нет,

http://bestavto.com.ua/shop/product/podush...ionera-nexia-gm
sergjy
Вчера собрал трубки кондиционера, трудности были с трубкой низкого давления, та что проходит от нижней точки радиатора до воздухана за глушилку. Так как трубка была цельная и пришла мне в собраном виде разбирать ее желания не было. Огромное спасибо Денису ''Dissa'' plus.gif за подсказку как эту трубку уложить в свое место. Зажал гайки, особенно не удобно зажимать гайки на испарителе и от нижней точки радиатора.
Сегодня поехал на заправку кондея. Вакуумировали его минут 10, заправили фреона, масло сказали не надо заправлять. Фреона зашло 550 грамм. Результат порадовал, кондей заработал на выходе с воздуховода дуло +8 градусов цельсия smile.gif и я очень рад, что не зря были потраченные деньги.
Спасибо большое клубням за помощь в установке, особено ''Dissa'' и ''traffic'' без Вашего опыта я кондей сам не собрал бы.
От себя скажу: особо ничего сложного нет, трудоемкая работа запихнуть испаритель в блок печки (особенно если ее ни разу не разбирал) мне пришлось ее разбирать 3 раза smile.gif за раз не получилось собрать правильно.
По затратам: б.у. кондей мне достался за 2800 грн. в плачевном состоянии на первых фотках видно, пришлось доукомплектовывать + новый радиатор 1200 грн., натяжной ролик 155 грн., ремень 75 грн., фильтр салона угольный 100 грн., еще куча мелочевок таких как болты переходной плиты, болты компрессора, передний жгут проводки с проводкой кондея и птф, вся мелочь обошлась в 400 грн. + заправка 350 грн. вроде ничего не упустил. И того: 5080 грн.
Dissa
Я рад за тебя, что все получилось. Тебе еще повезло, что к эбу и релюхи не подключал.
sergjy
Цитата(Dissa @ 13.9.2015, 10:58) *
Я рад за тебя, что все получилось. Тебе еще повезло, что к эбу и релюхи не подключал.

Да, ты прав, не малой кусок работы не пришлось делать. Я и релюх купил. И еще одна трубка низкого давления я у меня оказалась лишней, та что с датчиком. Надо найти заглушку на осушитель, где сервисный клапан, у меня не было этой заглушки.
traffic
Цитата(Dissa @ 13.9.2015, 10:58) *
Я рад за тебя, что все получилось. Тебе еще повезло, что к эбу и релюхи не подключал.

Это точно wink.gif

Приятной езды!
Жаль только что на лето не успел...

Насчёт масла - нужно у кондиционерщиков спрашивать - я не в курсе.
sergjy
Цитата(traffic @ 13.9.2015, 11:56) *
Это точно wink.gif

Приятной езды!
Жаль только что на лето не успел...

Насчёт масла - нужно у кондиционерщиков спрашивать - я не в курсе.

Да мне тоже жаль, лето прошло уже, буду ждать следующее лето. По поводу масла: заправлял кондиционерщик - сказал что масло не надо, его слова ''если там масла норма и он добавит его то контур замаслится'' и холодить тогда будет плохо.
traffic
А откуда "там" масло?
Мне при заправке кондиционера сначала вытащили всё, что было, а потом залили нужное кол-во масла и фреона.
Делала всё машина - просто подключили 2 шланга и в ввели тип машины. Чуть более часа - и дали распечатку (что вынули - вода, масло и фреон и сколько масла и фреона закачали обратно).
sergjy
Я ж не кондиционерщик, мне от куда знать? Кондиционерщик подключился каким то прибором, по его словам прибор стоит 600$. И произвел вакуумирование и заправку.
Я не знаю как компрессор должен работать, но когда я включаю кондей то компрессор слышно как он работает как по мне то громковаато. Попробую заснять на видео и выложить сегодня.
Для просмотра полной версии этой страницы, пожалуйста, пройдите по ссылке.
Русская версия IP.Board © 2001-2026 IPS, Inc.