IPB

Здравствуйте, гость ( Вход | Регистрация )

 
Ответить в данную темуНачать новую тему
> реле света фар
Kostas
сообщение 29.8.2010, 14:23
Сообщение #1


Новичок
*

Группа: Пользователи
Сообщений: 24
Регистрация: 25.4.2009
Из: полтава
Авто:Daewoo Nexia
Пол:



греется подрулевой переключатель света фар . слышал что при установке дополн. релюшки нагрузка на переключатель уменьшается и свет фар становится ярче. буду очень благодарен тому кто подскажет схему установки этого реле.
Перейти в начало страницы
Вставить ник
+Цитировать сообщение
Anatoliy
сообщение 30.8.2010, 11:53
Сообщение #2


Ellektrik
*******

Группа: Член клуба
Сообщений: 3553
Регистрация: 16.2.2008
Из: Житомир (Полевая)
Пол:



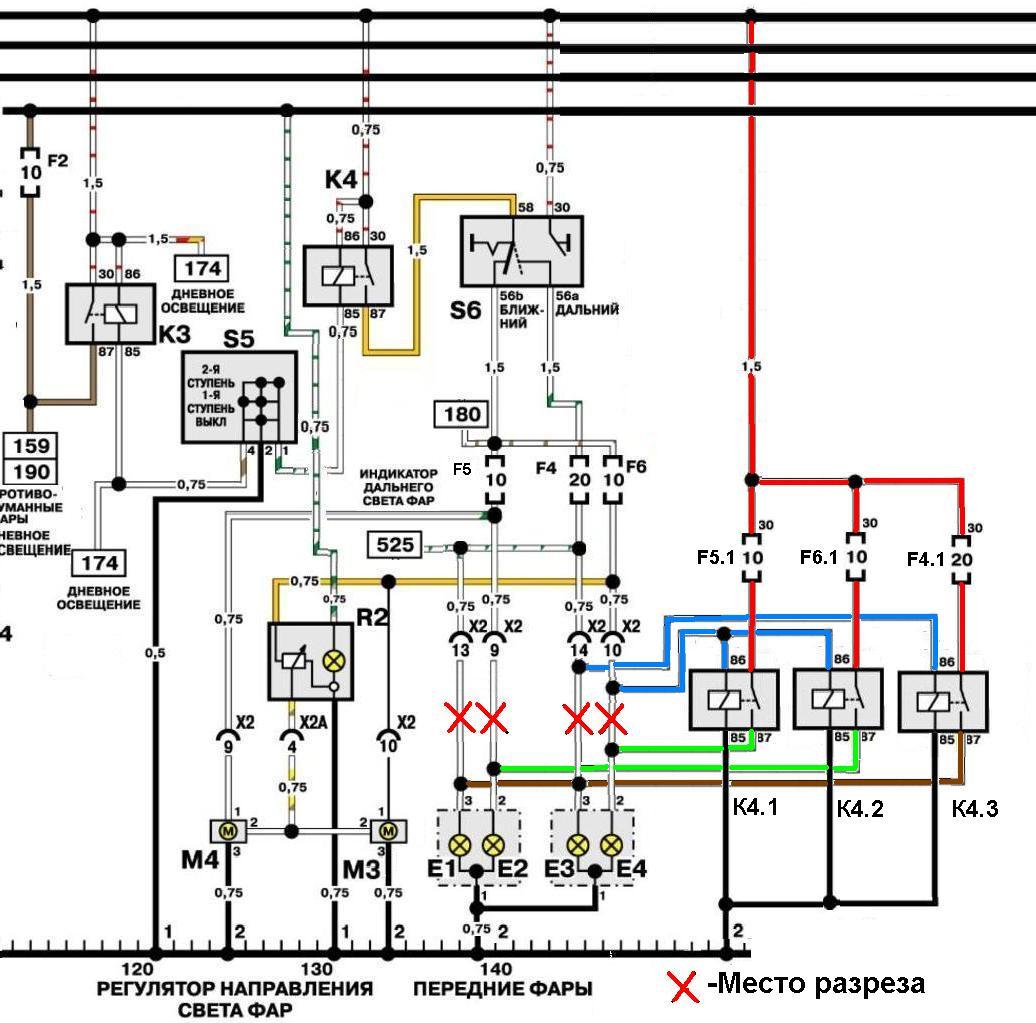
Покупаем три стартерных реле с встроеными предохранительными колодками, также три колодки под реле. Устанавливаем реле возле разъема Х2 (возле аккумулятора) и монтируем согласно прилагаемой схемы. Предохранители F4, F5 и F6 можно заменить на 5А а установленые использовать в новой схеме.
Эскизы прикрепленных изображений
Прикрепленное изображение
 


--------------------
Кто сказал что электрик не воин света? Он всегда на щите или под щитом.
Перейти в начало страницы
Вставить ник
+Цитировать сообщение
Kostas
сообщение 30.8.2010, 13:13
Сообщение #3


Новичок
*

Группа: Пользователи
Сообщений: 24
Регистрация: 25.4.2009
Из: полтава
Авто:Daewoo Nexia
Пол:



Цитата(Anatoliy @ 30.8.2010, 11:53) *
Покупаем три стартерных реле с встроеными предохранительными колодками, также три колодки под реле. Устанавливаем реле возле разъема Х2 (возле аккумулятора) и монтируем согласно прилагаемой схемы. Предохранители F4, F5 и F6 можно заменить на 5А а установленые использовать в новой схеме.


Спасибо большое . А зачем на ближний две релюхи?
Перейти в начало страницы
Вставить ник
+Цитировать сообщение
Anatoliy
сообщение 30.8.2010, 13:30
Сообщение #4


Ellektrik
*******

Группа: Член клуба
Сообщений: 3553
Регистрация: 16.2.2008
Из: Житомир (Полевая)
Пол:



Можно и одну релюху, но чтобы не перечить правилам дорожного движения, где сказано что можно ездить с одной ближней фарой (левой) при коротком замыкании в правой и чтобы не нарушать общую схему Ксюхи лучше будет использовать на ближний свет две релюхи. Если кому нравится то может ставить на ближний свет одну релюху, но тогда вся ответственность за нарушение алгоритма работы электросхемы ложится на владельца авто. Если ставить предохранители после релюх то можно использовать всего то два реле но тогда использовать реле с колодочками под предохранители нету резона и нужно искать колодочки отдельноустанавливаемые. Предохранителей необходимо ставить обьезательно три, два на ближний свет и один на дальный свет.


--------------------
Кто сказал что электрик не воин света? Он всегда на щите или под щитом.
Перейти в начало страницы
Вставить ник
+Цитировать сообщение
roma
сообщение 30.8.2010, 17:20
Сообщение #5


Engineer
*******

Группа: Член клуба
Сообщений: 2518
Регистрация: 19.9.2008
Из: Kherson-->Nova Kakhovka-->Cherkasy-->Kirovograd-->Kremenchug-->Cherkasy
Авто:SUZUKI GRAND VITARA 2008
Пол:



Я себе собираюсь сделать на четырех релюхах - 2 ближний и 2 дальний


--------------------
Упорство и прилежание лучше, чем беспутство и гений.
Перейти в начало страницы
Вставить ник
+Цитировать сообщение
Mel (Александр)
сообщение 7.9.2010, 15:51
Сообщение #6


Новичок
*

Группа: Пользователи
Сообщений: 18
Регистрация: 18.10.2008
Из: Киев, харьковский
Пол:



А я еще себе помимо установки блока реле, полностью снял косичку проводов на фары и заменил провода на более толстые, те которые идут на ближний и дальний свет, в результате свет стал заметно ярче! А те провода которые были с завода очень тоненькие blink.gif
Перейти в начало страницы
Вставить ник
+Цитировать сообщение
Nortik_5
сообщение 31.1.2015, 15:36
Сообщение #7





Группа: Пользователи
Сообщений: 9
Регистрация: 12.1.2015
Из: Днепропетровск
Авто:Nexsia
Пол:



Мужыки а старие реле остаютса или их нужно снимать и ставить перемычку? ( те что под щитком предохранителей)
Перейти в начало страницы
Вставить ник
+Цитировать сообщение
Dissa
сообщение 31.1.2015, 16:26
Сообщение #8


Мегафлудер
*******

Группа: Главные администраторы
Сообщений: 6643
Регистрация: 15.9.2008
Из: Барышевка, Киевская область
Авто:Nexia N100 16v GLE fully loaded, luxury
Пол:



Мужыки пишется через "и".
Реле К4, что на свет фар оставлять, на нем в принципе не будет нагрузки, т.к. его коммутирующие контакты будут включать обмотки доп. реле которые поставишь. F4 и F6 можно заменить на 5А предохранители, т.к. нагрузки там не будет. Автоматически разгружается подрулевой переключатель.


--------------------

I love Harley-Davidson and girls
"Делай Добро и бросай его в воду... Оно не пропадет, Добром тебе вернётся"
Перейти в начало страницы
Вставить ник
+Цитировать сообщение
traffic
сообщение 31.1.2015, 21:36
Сообщение #9


Мегафлудер
*******

Группа: Главные администраторы
Сообщений: 15694
Регистрация: 6.10.2008
Из: Киев, позняки
Пол:



Реле света убрать не удастся т.к. оно массой управляется с подрулевого wink.gif


--------------------
Связь - как воздух: пока не испортится - её не замечают
Перейти в начало страницы
Вставить ник
+Цитировать сообщение

Ответить в данную темуНачать новую тему
1 чел. читают эту тему (гостей: 1, скрытых пользователей: 0)
Пользователей: 0

 



Текстовая версия Сейчас: 29.11.2025, 18:01
Разработка сайта: JetBrain, 2008