Для начала выясним из чего состоит система зажигания:
rem
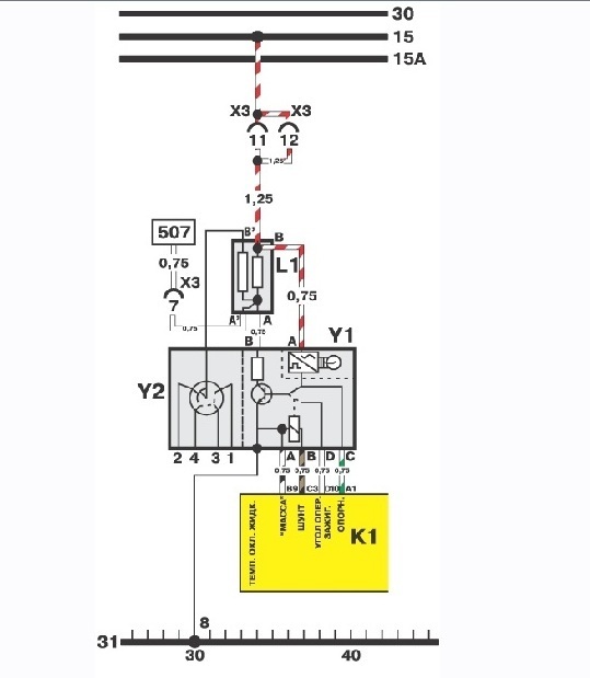
Нажмите для просмотра прикрепленного файла1. катушка зажигания;
2. электронного блока зажигания:
3. магнитоэлектрического датчика;
4. трамблёра (распределителя зажигания);
5. в/в (высоковольтных) проводов;
6. свечи зажигания.
и всё, больше ничего, если считать что аккумулятор в норме, провода в порядке, контактные соединеня целы и замыканий или обрывов в проводке нету.
ЭБУ отвечает за подачу топлива и только за коррекцию угля зажигания и не больше.
Если разорват коричнево-чёрный провод (шунт В) от ЭБУ на блок зажигания то оно вообще не при делах.
По зелёно-белому (опорное напряжение С) ЭБУ получает сведения об оборотах двигателя и фазе поворота распредвала.
В нашем случае нам нужно проверить работу:
1. катушки зажигания;
2. электронного блока зажигания;
3. магнитоэлектрического датчика.
Проверяем катушку:
rem
Нажмите для просмотра прикрепленного файлаизмерение 3 должно быть около 8,3 кОм
измерение 5 должно быть в пределах 0,3-0,5 Ом
измерение 7 должно стремится к бесконечности
Электронный блок под замену (кто-то из коллег писал что не все электронные блоки взаимозаменяемые, нужно поискать по форуму)
rem
Нажмите для просмотра прикрепленного файлапроверяем магнитоэлектрический датчик на сопротивление, обрыв, замыкание и замыкание на массу.
rem
Нажмите для просмотра прикрепленного файласопртивление катушки должно быть в пределах 0,5-1,5 кОм
измерение сопротивления на массу должно стремится к бесконечности.
Всё

, что знал росказал.

всем огромное спасибо машинка завелась и работает причина неизвестна просто пришол завел. и о чудо заработала