Полная версия этой страницы:
Производительность форсунок
Кто-нибудь знает паспортную производительность нексиевских форсунок?
Хочу поправочный коэффициент выставить для определения расхода топлива по БК. Определение коэфициента типа:"Залить полный, потом выкатать 30-40л, потом опять залить полный..." не устраивает, т.к. по нашей стоимости бенза оч дор.
Нашел на одном сайте экспериментальные данные 52 мл за 30 сек. Это получается 6,24 литра/час - одна форсунка. 6,24*4= 24,96 литра/час производительность четырех??? Не многова-то ли? 24,96 литра на 100 км при скорости 100 км/ч???
Или я не так считаю???
а ты уверен что все форсунки одновременно работают? и цилиндры одновременно работают?
По твоим подсчетам они льют постоянно- можно было сразу трубку ввести в цилиндр. Зачем тогда форсунка?
Вот и меня терзают смутные сомнения. Тогда получается, что производительность всех форсунок все-таки 6,24 л/час, учитывая что двигетель четырехтактный и четыре форсунки?
И это ближе к истине. Если не так, поправте, пожалуйста.
а чего поправлять- все так.
Цитата(WILL @ 20.9.2011, 8:47)

а ты уверен что все форсунки одновременно работают? и цилиндры одновременно работают?
По твоим подсчетам они льют постоянно- можно было сразу трубку ввести в цилиндр. Зачем тогда форсунка?
всі форсунки працюють одночасно.
ну так, чтобы ты не обольщался-
Нажмите сюда! в определенный момент времени- работает только 1 форсунка.
Цитата(WILL @ 20.9.2011, 13:00)

...
в определенный момент времени- работает только 1 форсунка.
Это уже на 1,6 реализовано, а на 1,5 - попарно-параллельный впрыск.
Цитата(WILL @ 20.9.2011, 14:00)

ну так, чтобы ты не обольщался-
Нажмите сюда! в определенный момент времени- работает только 1 форсунка.
Ти не правий!
В певний момент часу працюють всі 4 форсунки, так як, у всіх один спільний мінусовий провід по якому і йде керування з ЕБУ. (Так організований вприск в 1.5 моторах, в 1.6 можливо інакше)
кури мануал, дядя

:
Нажмите для просмотра прикрепленного файла
Цитата(nac67 @ 20.9.2011, 6:43)

Кто-нибудь знает паспортную производительность нексиевских форсунок?
Хочу поправочный коэффициент выставить для определения расхода топлива по БК. Определение коэфициента типа:"Залить полный, потом выкатать 30-40л, потом опять залить полный..." не устраивает, т.к. по нашей стоимости бенза оч дор.
Нашел на одном сайте экспериментальные данные 52 мл за 30 сек. Это получается 6,24 литра/час - одна форсунка. 6,24*4= 24,96 литра/час производительность четырех??? Не многова-то ли? 24,96 литра на 100 км при скорости 100 км/ч???
Или я не так считаю???
52 мл. за 30 сек. при якій тривалості імпульсу?
QwertyBoy
20.9.2011, 14:53
То есть получается, что в наших двигателях одновременный распределенный впрыск? А я то думаю, от чего это мой 2-х литровый 16-ти клапанный по расходу чуть ли не меньше бывшего 1.5 литрового 8-ми клапанного...
Цитата(Vit@ha @ 20.9.2011, 15:35)

Ти не правий!
.......
т.е. ты хочешь сказать при подаче сигнала "-" одновременно открывается все 4 форсунки?
Цитата(WILL @ 20.9.2011, 16:16)

т.е. ты хочешь сказать при подаче сигнала "-" одновременно открывается все 4 форсунки?
На счет длительности импульса не скажу, а эту инфу (о производительности) взял здесь
http://kadett-club.ru/forum/index.php?showtopic=7273Может кто-то подскажет, как эту инфу пересчитать в производительность для четырех форсунок, т.е. для автомобиля вцелом.
Цитата(WILL @ 20.9.2011, 16:16)

т.е. ты хочешь сказать при подаче сигнала "-" одновременно открывается все 4 форсунки?
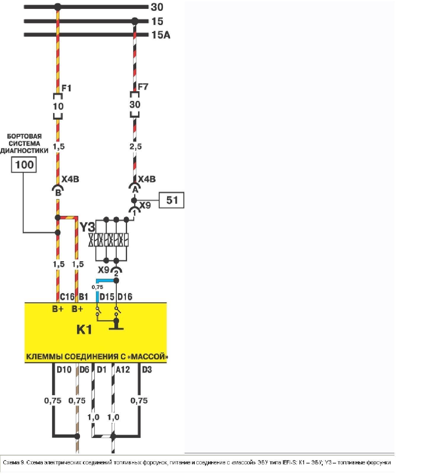
Меня это тоже удивило, но по схеме именно так выходит.
Реально провода ещё не следил, но собираюсь.
Ещё меня смущает 2 ключа в ЭБУ на форсунки параллельно - похоже что можно сделать хотя бы попарный впрыск - нужно у чиповщиков спросить как там софт к этому отнесётся...
Цитата(WILL @ 20.9.2011, 15:16)

т.е. ты хочешь сказать при подаче сигнала "-" одновременно открывается все 4 форсунки?
Я об этом писал в сообщении №7. Это и грамотный электрик тебе подтвердит...
Цитата(Zhest' @ 20.9.2011, 19:04)

Я об этом писал в сообщении №7. Это и грамотный электрик тебе подтвердит...
Ну так как же посчитать производительность???
Цитата(nac67 @ 20.9.2011, 18:41)

Ну так как же посчитать производительность???
Попробуйте на подобных форумах поискать:
http://multi-set.ru/forum/showthread.php?t=2040
Цитата(traffic @ 20.9.2011, 17:54)

Меня это тоже удивило, но по схеме именно так выходит.
Реально провода ещё не следил, но собираюсь.
Ещё меня смущает 2 ключа в ЭБУ на форсунки параллельно - похоже что можно сделать хотя бы попарный впрыск - нужно у чиповщиков спросить как там софт к этому отнесётся...
я думаю, що ЕБУ буде проти таких переробок.
Цитата(nac67 @ 20.9.2011, 19:41)

Ну так как же посчитать производительность???
В теорії продуктивність залежить від тиску в топлевній рампі, АЛЕ клапан
Регулятора
Тиску
Палива спускає в обратку все, що більше 3.25 КПа. Також впливає густина палива, яка є різною для різних марок бензину. І на кінець від частоти та тривалості імпульсій які подаються на форсунки.
Vit@ha, на практике расскажи как посчитать продуктивность работы.
потому что в теории еще необходимо учитывать атмосферное давление, разреженность воздуха, влажность...
Цитата(Vit@ha @ 21.9.2011, 8:37)

я думаю, що ЕБУ буде проти таких переробок.
Справа в тому, що ЕБК апаратно має 2 виходи на форсунки (я так розумію щи на 1-4 та 2-3 циліндри), але вони запаралелені проводкою зовні блоку. Якщо ПЗ ЕБК розрізняє ці 2 виходи, то простою переробкою можливо досягнути деякої економії. Якщо на рівні ПЗ ці виходи також паралельні, то нічого така переробка не дасть.
Тому мені й цікава думка спеціалістів з ПЗ для ЕБК з цього приводу.
P.S. Навіть Январь дає попарний вприск, а якщо встановити датчик розп.валу, то й на кожний циліндр окремо
Цитата(traffic @ 21.9.2011, 11:39)

Справа в тому, що ЕБК апаратно має 2 виходи на форсунки (я так розумію щи на 1-4 та 2-3 циліндри), але вони запаралелені проводкою зовні блоку. Якщо ПЗ ЕБК розрізняє ці 2 виходи, то простою переробкою можливо досягнути деякої економії. Якщо на рівні ПЗ ці виходи також паралельні, то нічого така переробка не дасть.
Тому мені й цікава думка спеціалістів з ПЗ для ЕБК з цього приводу.
P.S. Навіть Январь дає попарний вприск, а якщо встановити датчик розп.валу, то й на кожний циліндр окремо
Вроді все правильно говориш. Для початку треба схему ЕБК.
На моторах таких як в мене (з розподільником запалювання) немає датчика положення колінвалу.
Цитата(Vit@ha @ 21.9.2011, 15:31)

Вроді все правильно говориш. Для початку треба схему ЕБК.
На моторах таких як в мене (з розподільником запалювання) немає датчика положення колінвалу.
Схема не потрібна т.я. на основній схемі автомобіля намальована ця частина ЕБК (схематично). Тобто апаратно все є, а чи підтримує цю можливість ПЗ не ясно.
Датчик положення розподільчого валу ставиться додатково на шестерню одного з них. Якщо розподільник запалювання механічний, то датчик положення коленвалу також прийдеться встановити (як і шкив з зубцями під цей датчик), а такоз замінити систему запалення + ЕБК.
Але для попарного вприску здається досить штатного індукційного датчика під розподільником запалювання - це питання потрібно вивчити (якщо потрібно, звичайно)
Очень много околовсяческих рассуждений. Но никто так и не ответил на конкретный вопрос, какая же все-таки производительность форсунок Нексии???
Цитата(traffic @ 21.9.2011, 20:55)

тут багато нюансів про вприск обговорювалося
http://www.daewooclub.ru/daewoo-forum/inde...=10968&st=0
Цитата(nac67 @ 22.9.2011, 6:40)

Очень много околовсяческих рассуждений. Но никто так и не ответил на конкретный вопрос, какая же все-таки производительность форсунок Нексии???
Всё гораздо проще. По номеру форсунок гуглится их производительность. Вот только что она даст?
в тесте которм 4 вида форсунок применены мысли автора ставят меня под сомнения. почемуто сименс форсунка по его словам самая плохая из-за распыла!, а в практике все стремятся сделать именно распыл, что бы воздух с бензином как можно качественней смешался, да и по теории что она будет тупить - вымысел, он врядли вообще понимает правильность работы, на практике на сименс форсунках тяга прием лучше!!!!
а из-за качественного распыла лучше смесь получается, а струя - это карбюратор 60 годов
По дани професіонала російського клубу (http://www.nexia-club.ru/forum/topic/178310.htm?msg1784565#msg1784565) пана Юрія (gorUgra), продуктивність форсунок на двигуні A15MF складає 175 сс (сантистокс).
Цитата(Vit@ha @ 20.1.2012, 17:47)

По дани професіонала російського клубу (http://www.nexia-club.ru/forum/topic/178310.htm?msg1784565#msg1784565) пана Юрія (gorUgra), продуктивність форсунок на двигуні A15MF складає 175 сс (сантистокс).
Чет я не понял, сантистокс это еденица измерения кинематической вязкости.
Кто-то чего-то напутал.
Anatoliy
20.1.2012, 21:55
Цитата(roma @ 20.1.2012, 19:52)

Чет я не понял, сантистокс это еденица измерения кинематической вязкости.
Кто-то чего-то напутал.
Да, это и есть единица кинематической вязкости,
Wiki.
Производительность форсунок опредиляется в мг./сек. (объём за секунду).
Цитата(Anatoliy @ 20.1.2012, 21:55)

...Производительность форсунок опредиляется в мг./сек. (объём за секунду).
Ага + к тому ещё оговаривается давление на входе.
Для просмотра полной версии этой страницы, пожалуйста,
пройдите по ссылке.