IPB

Здравствуйте, гость ( Вход | Регистрация )

56 страниц V  « < 40 41 42 43 44 > »   
Ответить в данную темуНачать новую тему
> У кого хороший свет ?
Dissa
сообщение 7.12.2013, 15:34
Сообщение #821


Мегафлудер
*******

Группа: Главные администраторы
Сообщений: 6643
Регистрация: 15.9.2008
Из: Барышевка, Киевская область
Авто:Nexia N100 16v GLE fully loaded, luxury
Пол:



Цитата(traffic @ 6.12.2013, 23:51) *
Есть небольшая проблема: для такого автокорректора датчик должен измерять не нагрузку на рычаг, а расстояние до покрытия, а это уже совсем другие деньги...

На счет расстояния до покрытия, что будет если ехать в колее, - фары опустятся до мин. - хотя авто будет иметь ровно горизонтальное направление. Да и датчики в такой среде будут забиваться грязью и т.д.


--------------------

I love Harley-Davidson and girls
"Делай Добро и бросай его в воду... Оно не пропадет, Добром тебе вернётся"
Перейти в начало страницы
Вставить ник
+Цитировать сообщение
traffic
сообщение 7.12.2013, 16:28
Сообщение #822


Мегафлудер
*******

Группа: Главные администраторы
Сообщений: 15694
Регистрация: 6.10.2008
Из: Киев, позняки
Пол:



ХЗ - там вроде ультразвуковые датчики.
В любом случае именно такие датчики ставят с завода, а не те, что просто за нагрузкой на оси смотрит.
Да и смысла отслеживать во время движения нагрузку на оси?
Особенно если учесть что сами приводы в фарах достаточно медленные...


--------------------
Связь - как воздух: пока не испортится - её не замечают
Перейти в начало страницы
Вставить ник
+Цитировать сообщение
Dissa
сообщение 7.12.2013, 21:05
Сообщение #823


Мегафлудер
*******

Группа: Главные администраторы
Сообщений: 6643
Регистрация: 15.9.2008
Из: Барышевка, Киевская область
Авто:Nexia N100 16v GLE fully loaded, luxury
Пол:



Установка штатного на митсубу.
http://www.drive2.ru/cars/mitsubishi/lance...journal/635528/


--------------------

I love Harley-Davidson and girls
"Делай Добро и бросай его в воду... Оно не пропадет, Добром тебе вернётся"
Перейти в начало страницы
Вставить ник
+Цитировать сообщение
traffic
сообщение 7.12.2013, 23:19
Сообщение #824


Мегафлудер
*******

Группа: Главные администраторы
Сообщений: 15694
Регистрация: 6.10.2008
Из: Киев, позняки
Пол:



Установка универсального от Hella:
http://www.drive2.ru/cars/ford/focus/focus...30376152377239/


--------------------
Связь - как воздух: пока не испортится - её не замечают
Перейти в начало страницы
Вставить ник
+Цитировать сообщение
des
сообщение 19.12.2013, 17:40
Сообщение #825





Группа: Пользователи
Сообщений: 6
Регистрация: 19.12.2013
Авто:Daewoo Nexia
Пол:



Купил машину, фары обычные без линз. Поставил туда галогенки Phillips diamond vision - разочаровался сильно, освещение плохое даже стандартные светят лучше. Решил брать ксенон, какой посоветуете по температуре 4300 или 5000?
Перейти в начало страницы
Вставить ник
+Цитировать сообщение
Dissa
сообщение 19.12.2013, 22:17
Сообщение #826


Мегафлудер
*******

Группа: Главные администраторы
Сообщений: 6643
Регистрация: 15.9.2008
Из: Барышевка, Киевская область
Авто:Nexia N100 16v GLE fully loaded, luxury
Пол:



Цитата(des @ 19.12.2013, 17:40) *
Решил брать ксенон, какой посоветуете по температуре 4300 или 5000?

Вообще не советую, тем более на штатную оптику тем более на рифленую.
Нужно брать лампы Osram Night Breaker Plus, Osram Night Breaker UNLIMITED (новинка)
или Philips X-treme Vision.
У меня стоят последние.


--------------------

I love Harley-Davidson and girls
"Делай Добро и бросай его в воду... Оно не пропадет, Добром тебе вернётся"
Перейти в начало страницы
Вставить ник
+Цитировать сообщение
Akitore
сообщение 19.12.2013, 23:04
Сообщение #827





Группа: Пользователи
Сообщений: 5
Регистрация: 19.12.2013
Авто:Daewoo Nexia
Пол:



Добрый ночи всем.
Я установил себе новый лампочки 100/80 ваттный через реле, в начале все отлично работал, ну потом через 2-3 часа я заметил дальний свет не работает когда моргну. А когда рычаг опушу в нижний положения дальний работает.
В чем может быть проблема?
Перейти в начало страницы
Вставить ник
+Цитировать сообщение
Dissa
сообщение 19.12.2013, 23:11
Сообщение #828


Мегафлудер
*******

Группа: Главные администраторы
Сообщений: 6643
Регистрация: 15.9.2008
Из: Барышевка, Киевская область
Авто:Nexia N100 16v GLE fully loaded, luxury
Пол:



Машина N100 или N150? Сам доп. реле (разгрузочное) ставил? В штатном режиме на N100 вся силовая цепь идет через подрулевой переключатель и если лампочки поставил повышенной мощности, то подрулевой переключатель не выдержит нагрузки.


--------------------

I love Harley-Davidson and girls
"Делай Добро и бросай его в воду... Оно не пропадет, Добром тебе вернётся"
Перейти в начало страницы
Вставить ник
+Цитировать сообщение
Akitore
сообщение 20.12.2013, 5:14
Сообщение #829





Группа: Пользователи
Сообщений: 5
Регистрация: 19.12.2013
Авто:Daewoo Nexia
Пол:



Цитата(Dissa @ 20.12.2013, 2:11) *
Машина N100 или N150? Сам доп. реле (разгрузочное) ставил? В штатном режиме на N100 вся силовая цепь идет через подрулевой переключатель и если лампочки поставил повышенной мощности, то подрулевой переключатель не выдержит нагрузки.

N100
Перейти в начало страницы
Вставить ник
+Цитировать сообщение
Akitore
сообщение 20.12.2013, 5:20
Сообщение #830





Группа: Пользователи
Сообщений: 5
Регистрация: 19.12.2013
Авто:Daewoo Nexia
Пол:



Цитата(Dissa @ 20.12.2013, 2:11) *
Сам доп. реле (разгрузочное) ставил? В штатном режиме на N100 вся силовая цепь идет через подрулевой переключатель и если лампочки поставил повышенной мощности, то подрулевой переключатель не выдержит нагрузки.

Т.е. как это разгрузочное? подключил по схеме один реле к дальнему, один к ближнему. Схему взял здесь.
Перейти в начало страницы
Вставить ник
+Цитировать сообщение
Akitore
сообщение 20.12.2013, 5:25
Сообщение #831





Группа: Пользователи
Сообщений: 5
Регистрация: 19.12.2013
Авто:Daewoo Nexia
Пол:



Цитата(Dissa @ 20.12.2013, 2:11) *
В штатном режиме на N100 вся силовая цепь идет через подрулевой переключатель и если лампочки поставил повышенной мощности, то подрулевой переключатель не выдержит нагрузки.

sad.gif теперь полностью менять подрулевой переключатель? или отдельно продается?
Перейти в начало страницы
Вставить ник
+Цитировать сообщение
Dissa
сообщение 20.12.2013, 5:40
Сообщение #832


Мегафлудер
*******

Группа: Главные администраторы
Сообщений: 6643
Регистрация: 15.9.2008
Из: Барышевка, Киевская область
Авто:Nexia N100 16v GLE fully loaded, luxury
Пол:



Цитата(Akitore @ 20.12.2013, 5:20) *
Схему взял здесь.

Где здесь? Ссылку давай.
Контакты реле откуда брал? И контакты катушки этого реле как подключал?
Вот штатная схема.


--------------------

I love Harley-Davidson and girls
"Делай Добро и бросай его в воду... Оно не пропадет, Добром тебе вернётся"
Перейти в начало страницы
Вставить ник
+Цитировать сообщение
Akitore
сообщение 20.12.2013, 6:18
Сообщение #833





Группа: Пользователи
Сообщений: 5
Регистрация: 19.12.2013
Авто:Daewoo Nexia
Пол:



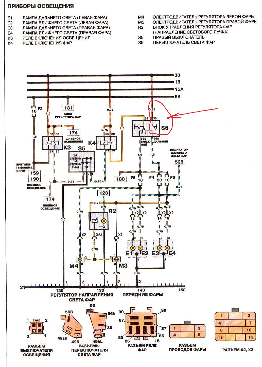
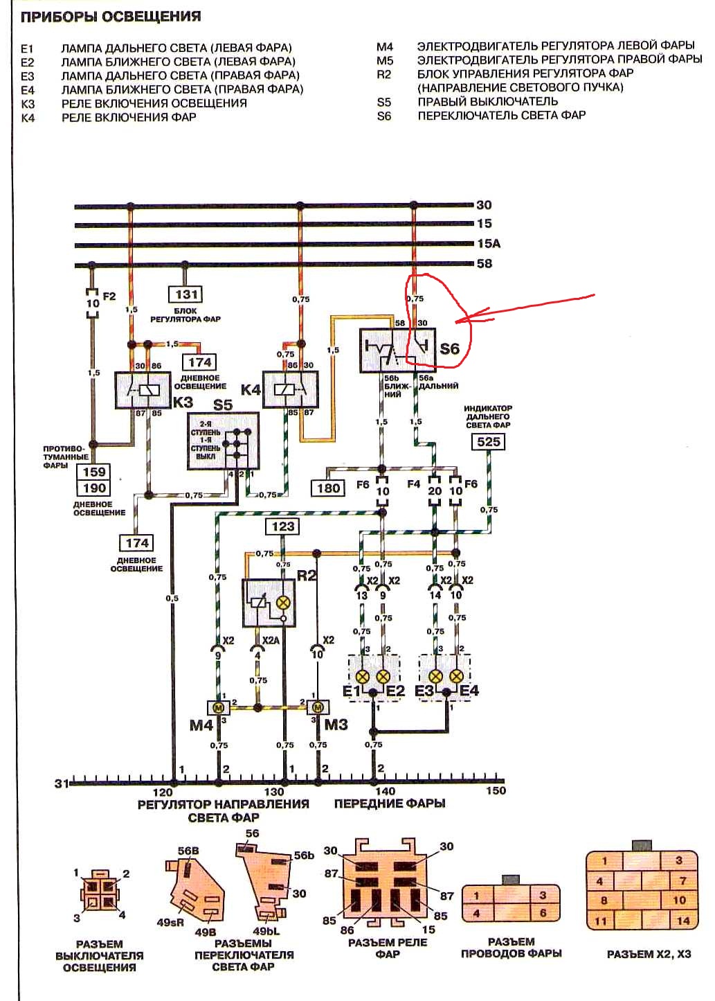
Думаю вот этот часть не работает, так как подрулевой переключатель отпустишь ниже дальний работает, поднимаешь вверх т.е. моргаешь не работает.
Схему нарисую и положу по позже

сорри за два одинаковых фото
Эскизы прикрепленных изображений
Прикрепленное изображение
Прикрепленное изображение
 
Перейти в начало страницы
Вставить ник
+Цитировать сообщение
Zhest'
сообщение 20.12.2013, 8:41
Сообщение #834


Узбековод
*******

Группа: Пользователи
Сообщений: 7288
Регистрация: 22.1.2008
Из: Полтава
Пол:



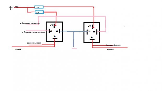
Господа, все намного проще...
Разгрузочные реле (как я сделал)


--------------------
Всем все прощаю, пока не придумаю, как отомстить...

Мое авто на DRIVE2.RU: http://www.drive2.ru/cars/daewoo/nexia/nexia/zhest/
Перейти в начало страницы
Вставить ник
+Цитировать сообщение
traffic
сообщение 20.12.2013, 8:51
Сообщение #835


Мегафлудер
*******

Группа: Главные администраторы
Сообщений: 15694
Регистрация: 6.10.2008
Из: Киев, позняки
Пол:



Так нельзя wink.gif
На ближнем свете обязательно должен быть отдельный предохранитель на каждую лампу.
По теме: или от подрулевого отпало питание (контакт 30) или накрылся сам подрулевой.

Схему включения реле в студию!


--------------------
Связь - как воздух: пока не испортится - её не замечают
Перейти в начало страницы
Вставить ник
+Цитировать сообщение
Zhest'
сообщение 20.12.2013, 9:02
Сообщение #836


Узбековод
*******

Группа: Пользователи
Сообщений: 7288
Регистрация: 22.1.2008
Из: Полтава
Пол:



Цитата(traffic @ 20.12.2013, 8:51) *
Схему включения реле в студию!
У меня сделано по такой схеме.
Можно в разрыв проводов на каждую фару поставить предохранитель.

Эскизы прикрепленных изображений
Прикрепленное изображение
 


--------------------
Всем все прощаю, пока не придумаю, как отомстить...

Мое авто на DRIVE2.RU: http://www.drive2.ru/cars/daewoo/nexia/nexia/zhest/
Перейти в начало страницы
Вставить ник
+Цитировать сообщение
nac67
сообщение 20.12.2013, 10:09
Сообщение #837


Українець
*******

Группа: Пользователи
Сообщений: 3919
Регистрация: 16.1.2011
Из: Луганськ - Івано-Франківськ
Пол:



Цитата(traffic @ 20.12.2013, 8:51) *
Так нельзя wink.gif
На ближнем свете обязательно должен быть отдельный предохранитель на каждую лампу.
По теме: или от подрулевого отпало питание (контакт 30) или накрылся сам подрулевой.

Схему включения реле в студию!

А почему только на ближний???
Перейти в начало страницы
Вставить ник
+Цитировать сообщение
Zhest'
сообщение 20.12.2013, 11:19
Сообщение #838


Узбековод
*******

Группа: Пользователи
Сообщений: 7288
Регистрация: 22.1.2008
Из: Полтава
Пол:



Цитата(nac67 @ 20.12.2013, 10:09) *
А почему только на ближний???

Вообще, это считается головной свет и в случае проблем в одной фаре, будет работать хотя бы другая.
Но в то же время, если не работает левая в режиме БС - эксплуатация ТС запрещается.


--------------------
Всем все прощаю, пока не придумаю, как отомстить...

Мое авто на DRIVE2.RU: http://www.drive2.ru/cars/daewoo/nexia/nexia/zhest/
Перейти в начало страницы
Вставить ник
+Цитировать сообщение
nac67
сообщение 20.12.2013, 13:32
Сообщение #839


Українець
*******

Группа: Пользователи
Сообщений: 3919
Регистрация: 16.1.2011
Из: Луганськ - Івано-Франківськ
Пол:



Цитата(Zhest' @ 20.12.2013, 11:19) *
Вообще, это считается головной свет и в случае проблем в одной фаре, будет работать хотя бы другая.
Но в то же время, если не работает левая в режиме БС - эксплуатация ТС запрещается.

Понятно, значит достаточно одного предохранителя, а второй просто возить в бардачке.
Завтра буду и себе такое лепить, идея мне понравилась!

Сообщение отредактировал nac67 - 20.12.2013, 13:32
Перейти в начало страницы
Вставить ник
+Цитировать сообщение
Zhest'
сообщение 20.12.2013, 13:44
Сообщение #840


Узбековод
*******

Группа: Пользователи
Сообщений: 7288
Регистрация: 22.1.2008
Из: Полтава
Пол:



Цитата(nac67 @ 20.12.2013, 13:32) *
Понятно, значит достаточно одного предохранителя, а второй просто возить в бардачке.
Завтра буду и себе такое лепить, идея мне понравилась!
Идея стоящая!
ВОТ ОПИСАНИЕ, как и что.


--------------------
Всем все прощаю, пока не придумаю, как отомстить...

Мое авто на DRIVE2.RU: http://www.drive2.ru/cars/daewoo/nexia/nexia/zhest/
Перейти в начало страницы
Вставить ник
+Цитировать сообщение

56 страниц V  « < 40 41 42 43 44 > » 
Ответить в данную темуНачать новую тему
2 чел. читают эту тему (гостей: 2, скрытых пользователей: 0)
Пользователей: 0

 



Текстовая версия Сейчас: 22.3.2026, 17:27
Разработка сайта: JetBrain, 2008