IPB

Здравствуйте, гость ( Вход | Регистрация )

> подогрев сидений, помогите!!!
Dimitriu
сообщение 23.10.2011, 19:22
Сообщение #1





Группа: Пользователи
Сообщений: 2
Регистрация: 23.10.2011
Авто:Daewoo Nexia
Пол:



купил недавно Nexia 1997 г. (корейка)
наступили холода, начал пользоваться печкой.Постоянно на разных положениях обдува включается подогрев сидений.Где на него есть регулировка и как ввобще правильно его включить на постоянный режим???Сидения родные и у прошлого хозяина я спрашивал тоже такая фишка была!Помогите, кто что об этом знает?
Перейти в начало страницы
Вставить ник
+Цитировать сообщение
2 страниц V   1 2 >  
Начать новую тему
Ответов (1 - 20)
ромадим
сообщение 23.10.2011, 19:40
Сообщение #2


iДоктор
******

Группа: Пользователи
Сообщений: 1416
Регистрация: 24.4.2010
Из: Сумы
Пол:



Цитата(Dimitriu @ 23.10.2011, 20:22) *
купил недавно Nexia 1997 г. (корейка)
наступили холода, начал пользоваться печкой.Постоянно на разных положениях обдува включается подогрев сидений.Где на него есть регулировка и как ввобще правильно его включить на постоянный режим???Сидения родные и у прошлого хозяина я спрашивал тоже такая фишка была!Помогите, кто что об этом знает?

В родных сидениях на Nexia нет подогрева сидений!
Перейти в начало страницы
Вставить ник
+Цитировать сообщение
traffic
сообщение 24.10.2011, 9:20
Сообщение #3


Мегафлудер
*******

Группа: Главные администраторы
Сообщений: 15694
Регистрация: 6.10.2008
Из: Киев, позняки
Пол:



Подогрев сидений электрический - нужно искать кнопку ;-)
Обычно ставится в районе ручника или ручки КПП


--------------------
Связь - как воздух: пока не испортится - её не замечают
Перейти в начало страницы
Вставить ник
+Цитировать сообщение
Anatoliy
сообщение 24.10.2011, 14:36
Сообщение #4


Ellektrik
*******

Группа: Член клуба
Сообщений: 3553
Регистрация: 16.2.2008
Из: Житомир (Полевая)
Пол:



Видать первый хозяин авто из "Кулибиных".
Возьмись за шнурочек и он тебья приведёт к источнику включения или переделай под себья.
Возможно подогрев подключен паралельно к двигателю вентиляции а чтобы летом не работал то видать ещё и блокируется ручкой регулятора температуры через дополнительный микропереключатель, вот этот микропереключатель и может барахлить.


--------------------
Кто сказал что электрик не воин света? Он всегда на щите или под щитом.
Перейти в начало страницы
Вставить ник
+Цитировать сообщение
traffic
сообщение 24.10.2011, 22:21
Сообщение #5


Мегафлудер
*******

Группа: Главные администраторы
Сообщений: 15694
Регистрация: 6.10.2008
Из: Киев, позняки
Пол:



Может и так, но тогда выходит что зимой подогрев постоянно включён (если таймер не накрылся) - что-то жарковато будет 5й точке wink.gif


--------------------
Связь - как воздух: пока не испортится - её не замечают
Перейти в начало страницы
Вставить ник
+Цитировать сообщение
Anatoliy
сообщение 24.10.2011, 22:26
Сообщение #6


Ellektrik
*******

Группа: Член клуба
Сообщений: 3553
Регистрация: 16.2.2008
Из: Житомир (Полевая)
Пол:



Можна подключить к обогреву заднего стекла...


--------------------
Кто сказал что электрик не воин света? Он всегда на щите или под щитом.
Перейти в начало страницы
Вставить ник
+Цитировать сообщение
WILL
сообщение 25.10.2011, 7:59
Сообщение #7


Злой модератор
*******

Группа: Администраторы
Сообщений: 10287
Регистрация: 24.1.2008
Из: Киев- Бровары
Пол:



я выводил отдельные кнопки.


--------------------


фанат УАЗ-469 и БРДМ-2
Перейти в начало страницы
Вставить ник
+Цитировать сообщение
Anatoliy
сообщение 25.10.2011, 9:56
Сообщение #8


Ellektrik
*******

Группа: Член клуба
Сообщений: 3553
Регистрация: 16.2.2008
Из: Житомир (Полевая)
Пол:



Цитата(WILL @ 25.10.2011, 8:59) *
я выводил отдельные кнопки.

И это правильно, жаль что хозяина темы нету, возможно эта тема перерастёт в то как правильно подключить подогрев сидений.


--------------------
Кто сказал что электрик не воин света? Он всегда на щите или под щитом.
Перейти в начало страницы
Вставить ник
+Цитировать сообщение
traffic
сообщение 25.10.2011, 12:12
Сообщение #9


Мегафлудер
*******

Группа: Главные администраторы
Сообщений: 15694
Регистрация: 6.10.2008
Из: Киев, позняки
Пол:



Цитата(Anatoliy @ 24.10.2011, 23:26) *
Можна подключить к обогреву заднего стекла...

Ага. И спалить релюху и/или проводку


--------------------
Связь - как воздух: пока не испортится - её не замечают
Перейти в начало страницы
Вставить ник
+Цитировать сообщение
Zhest'
сообщение 25.10.2011, 12:52
Сообщение #10


Узбековод
*******

Группа: Пользователи
Сообщений: 7288
Регистрация: 22.1.2008
Из: Полтава
Пол:



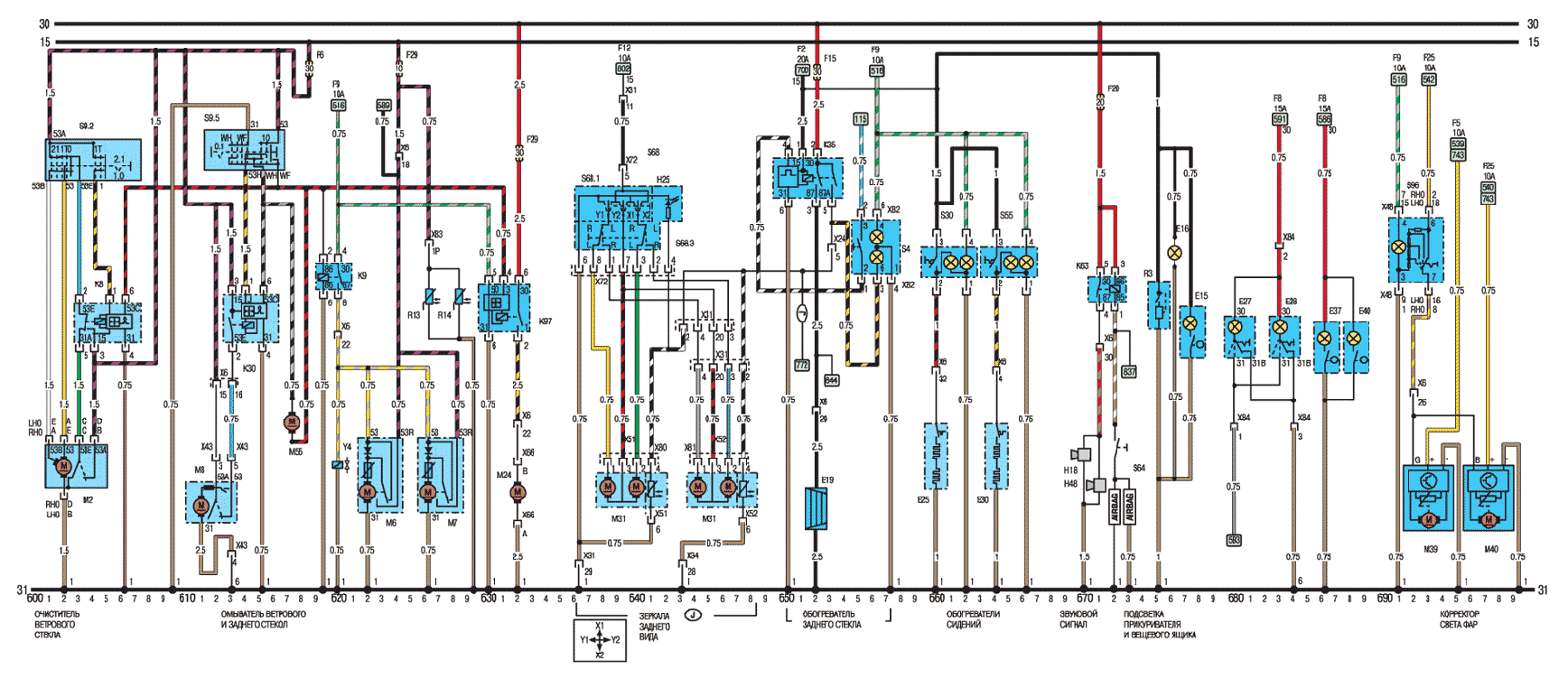
Вот схема, как подключен обогрев в Вектре А, как раз мой салончик так подключен.
Эскизы прикрепленных изображений
Прикрепленное изображение
 


--------------------
Всем все прощаю, пока не придумаю, как отомстить...

Мое авто на DRIVE2.RU: http://www.drive2.ru/cars/daewoo/nexia/nexia/zhest/
Перейти в начало страницы
Вставить ник
+Цитировать сообщение
Anatoliy
сообщение 25.10.2011, 14:17
Сообщение #11


Ellektrik
*******

Группа: Член клуба
Сообщений: 3553
Регистрация: 16.2.2008
Из: Житомир (Полевая)
Пол:



Цитата(traffic @ 25.10.2011, 13:12) *
Ага. И спалить релюху и/или проводку

Мощьность подогрева сидений ничтожно мала по сравнению с нагревательным элементом заднего окна.
Но желательно делать как предлагает Zhest.


--------------------
Кто сказал что электрик не воин света? Он всегда на щите или под щитом.
Перейти в начало страницы
Вставить ник
+Цитировать сообщение
traffic
сообщение 25.10.2011, 20:24
Сообщение #12


Мегафлудер
*******

Группа: Главные администраторы
Сообщений: 15694
Регистрация: 6.10.2008
Из: Киев, позняки
Пол:



Не такая уж и маленькая - порядка 45Вт/сидушка (http://www.aramake.ru/podogrev.php)
Итого 90Вт при 12В это уже 7,5А дополнительно.


--------------------
Связь - как воздух: пока не испортится - её не замечают
Перейти в начало страницы
Вставить ник
+Цитировать сообщение
Anatoliy
сообщение 28.10.2011, 9:13
Сообщение #13


Ellektrik
*******

Группа: Член клуба
Сообщений: 3553
Регистрация: 16.2.2008
Из: Житомир (Полевая)
Пол:



Цитата(traffic @ 25.10.2011, 21:24) *
Не такая уж и маленькая - порядка 45Вт/сидушка (http://www.aramake.ru/podogrev.php)
Итого 90Вт при 12В это уже 7,5А дополнительно.

Лучше всё таки переделать схему по нормальному, как предлагает Zhest'.


--------------------
Кто сказал что электрик не воин света? Он всегда на щите или под щитом.
Перейти в начало страницы
Вставить ник
+Цитировать сообщение
WILL
сообщение 28.10.2011, 9:42
Сообщение #14


Злой модератор
*******

Группа: Администраторы
Сообщений: 10287
Регистрация: 24.1.2008
Из: Киев- Бровары
Пол:



занимаюсь установкой- подогрева и в свое авто- буду ставить реле.


--------------------


фанат УАЗ-469 и БРДМ-2
Перейти в начало страницы
Вставить ник
+Цитировать сообщение
Васька
сообщение 28.10.2011, 10:01
Сообщение #15


Снова просто Сисюрити )))
******

Группа: Член клуба
Сообщений: 1512
Регистрация: 30.5.2008
Из: Киев, Оболонь, Минский массив. 0674446575
Пол:



Как по мне то особо не нужная энто весчь, на зиму ставлю типа маечки с подогревом чтоб 5-й точке было приятно садиться в машину, втыкается в прикуриватель, 3 года уже служит, на лето снимаю, установка съем занимает около 5 минут, греет нормально, но только нагрел машину, сразу выключаю и сей девайс т.к. не очень полезно особенно мужикам на гарячем сидеть idontno.gif ,даже и мысли никогда не было ставить что-то стационарное, но дело на любителя idontno.gif imho2.gif


--------------------

0638044338
Перейти в начало страницы
Вставить ник
+Цитировать сообщение
WILL
сообщение 28.10.2011, 10:15
Сообщение #16


Злой модератор
*******

Группа: Администраторы
Сообщений: 10287
Регистрация: 24.1.2008
Из: Киев- Бровары
Пол:



так я же подробно описывал- что я сделал. Поставлено полу-стационарно. Съем обогрева будет занимать 20 минут.


--------------------


фанат УАЗ-469 и БРДМ-2
Перейти в начало страницы
Вставить ник
+Цитировать сообщение
tolstiy
сообщение 28.10.2011, 18:23
Сообщение #17


Житель
***

Группа: Пользователи
Сообщений: 184
Регистрация: 10.9.2009
Из: Киев-Донецк
Авто:NEXIA GLE DOHC
Пол:



Цитата(Васька @ 28.10.2011, 11:01) *
Как по мне то особо не нужная энто весчь, на зиму ставлю типа маечки с подогревом чтоб 5-й точке было приятно садиться в машину, втыкается в прикуриватель, 3 года уже служит, на лето снимаю, установка съем занимает около 5 минут, греет нормально, но только нагрел машину, сразу выключаю и сей девайс т.к. не очень полезно особенно мужикам на гарячем сидеть idontno.gif ,даже и мысли никогда не было ставить что-то стационарное, но дело на любителя idontno.gif imho2.gif

Точно сказано, а еще геморрой может быть! Знакомый после операции на 5-й точке теперь даже в Финике подогрев не включает, о как!


--------------------
Перейти в начало страницы
Вставить ник
+Цитировать сообщение
Zhest'
сообщение 28.10.2011, 20:53
Сообщение #18


Узбековод
*******

Группа: Пользователи
Сообщений: 7288
Регистрация: 22.1.2008
Из: Полтава
Пол:



Цитата(Васька @ 28.10.2011, 10:01) *
Как по мне то особо не нужная энто весчь....
Не согласен! sad.gif
Салон мой видели? Ну так вот, в холодную погоду малость некомфортно сразу садиться на них, т.к. холодно пятой точке. А так, запустил авто, пока обошел машину, по колесам попинал, зимой и снег можно обмести, а сидения уже нормуль... Хоть и стоит термореле, но я выключаю, как только сидушка, спинка и боковые поддержки чуть прогрелись.
Так как, подогрев шел штатно в сидушках, то оставалось только подключить его, что я и сделал...
Теперь, очень комфортно и мне и переднему пассажиру.


--------------------
Всем все прощаю, пока не придумаю, как отомстить...

Мое авто на DRIVE2.RU: http://www.drive2.ru/cars/daewoo/nexia/nexia/zhest/
Перейти в начало страницы
Вставить ник
+Цитировать сообщение
Neighbor
сообщение 28.10.2011, 21:43
Сообщение #19


Активист клуба
*******

Группа: Пользователи
Сообщений: 3011
Регистрация: 30.1.2011
Из: Чернівці
Авто:Daewoo Nexia DOHC GL+
Пол:



plus.gif Садится в подогретое сидение намного приятнее нежели греть его своей пятой точкой.
Сейчас задумался может и себе чего то такового сделать, мне то всё равно, а вот жена бы была очень довольна.


--------------------
Краще тюнинг ніж ремонт!!!
Перейти в начало страницы
Вставить ник
+Цитировать сообщение
WILL
сообщение 28.10.2011, 22:11
Сообщение #20


Злой модератор
*******

Группа: Администраторы
Сообщений: 10287
Регистрация: 24.1.2008
Из: Киев- Бровары
Пол:



ну я в принципе больше для жены и делал- но поставил на обе сидушки обогрев....


--------------------


фанат УАЗ-469 и БРДМ-2
Перейти в начало страницы
Вставить ник
+Цитировать сообщение
Anatoliy
сообщение 29.10.2011, 10:13
Сообщение #21


Ellektrik
*******

Группа: Член клуба
Сообщений: 3553
Регистрация: 16.2.2008
Из: Житомир (Полевая)
Пол:



Воистину говорят - если использовать технику с умом то это во благо а если без ... то это на зло.


--------------------
Кто сказал что электрик не воин света? Он всегда на щите или под щитом.
Перейти в начало страницы
Вставить ник
+Цитировать сообщение

2 страниц V   1 2 >
Ответить в данную темуНачать новую тему
1 чел. читают эту тему (гостей: 1, скрытых пользователей: 0)
Пользователей: 0

 



Текстовая версия Сейчас: 20.2.2026, 12:17
Разработка сайта: JetBrain, 2008