IPB

Здравствуйте, гость ( Вход | Регистрация )

4 страниц V   1 2 3 > »   
Ответить в данную темуНачать новую тему
> Схемы электрооборудования, p.s. спасибо Niki ;)
Dream
сообщение 25.1.2008, 19:42
Сообщение #1


Администратор клуба
*******

Группа: Главные администраторы
Сообщений: 16292
Регистрация: 19.1.2008
Из: КИЕВ
Авто:Opel Corsa C 1.8
Пол:



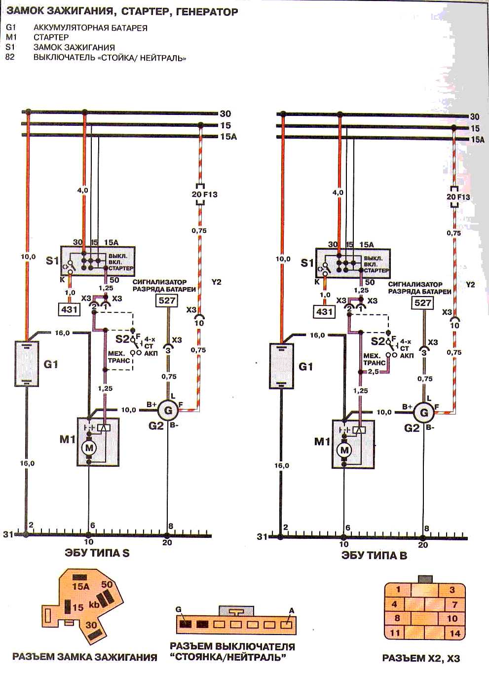
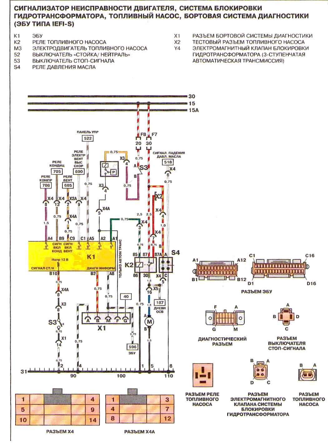
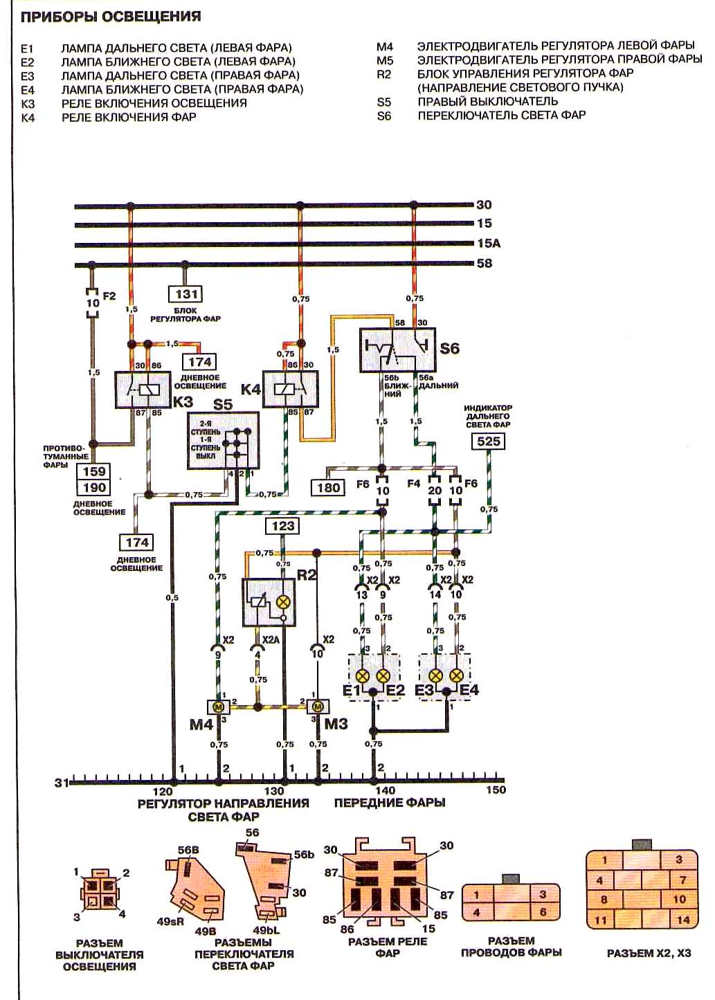
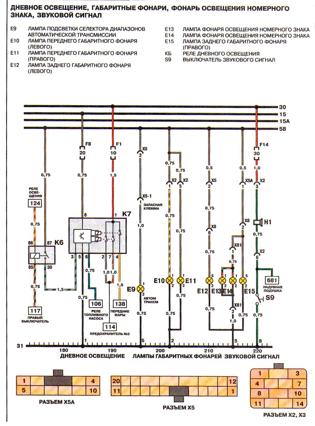
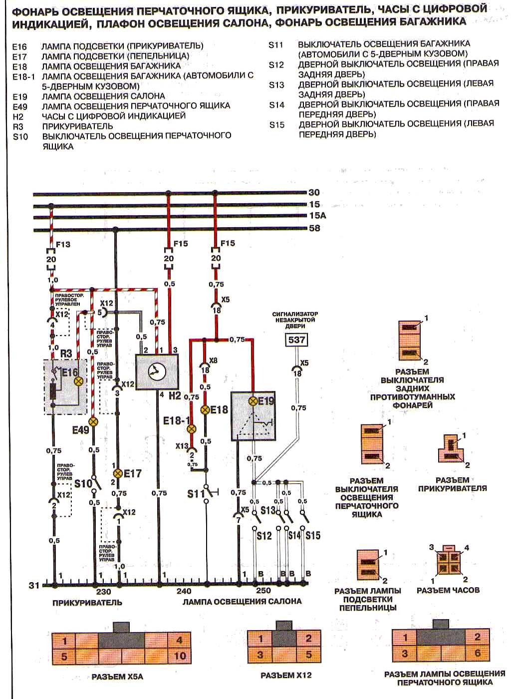
Схемы электрооборудования
Эскизы прикрепленных изображений
Прикрепленное изображение
Прикрепленное изображение
Прикрепленное изображение
Прикрепленное изображение


Прикрепленное изображение
Прикрепленное изображение
Прикрепленное изображение
Прикрепленное изображение


Прикрепленное изображение
Прикрепленное изображение
Прикрепленное изображение
Прикрепленное изображение


Прикрепленное изображение
Прикрепленное изображение
Прикрепленное изображение
Прикрепленное изображение


Прикрепленное изображение
Прикрепленное изображение
Прикрепленное изображение
Прикрепленное изображение


Прикрепленное изображение
Прикрепленное изображение
Прикрепленное изображение
Прикрепленное изображение


Прикрепленное изображение
 
Перейти в начало страницы
Вставить ник
+Цитировать сообщение
Michael
сообщение 10.2.2008, 11:29
Сообщение #2


Авторитет
*****

Группа: Пользователи
Сообщений: 948
Регистрация: 4.2.2008
Из: Ахметов-сити
Авто:Nexia sonc 1.5i
Пол:



shok.gif наверное кто то в этом разбирается plus.gif


--------------------
Перейти в начало страницы
Вставить ник
+Цитировать сообщение
Геннадий71
сообщение 15.2.2008, 11:52
Сообщение #3


Участник
**

Группа: Пользователи
Сообщений: 68
Регистрация: 29.1.2008
Из: Полтава
Авто:Daewoo-NEXIA
Пол:



Супер!
СПАСИБО!
Думаю, выражу общую благодарность! drinks.gif
Перейти в начало страницы
Вставить ник
+Цитировать сообщение
Masal
сообщение 15.2.2008, 12:09
Сообщение #4


Почетный нексиавод
******

Группа: Пользователи
Сообщений: 1344
Регистрация: 30.1.2008
Из: Краматорск (Донбасс)
Авто:NEXIA DOHC
Пол:



Дааааа, тут без быутылки не разобраться alko_8.gif
Перейти в начало страницы
Вставить ник
+Цитировать сообщение
niki
сообщение 18.2.2008, 11:56
Сообщение #5


ФАНАТ GM
*******

Группа: Гости
Сообщений: 2865
Регистрация: 21.1.2008
Из: Киев, Ворзель-1
Авто:BUICK PARK AVENUE
Пол:



НУ во первых , для человека закончившего КПИ , в этих схемах нет ничего сложного!!!!!

Во вторых - вылезла первая ошибочка , которая есть на всех схемах и во всех книжках. Питание на ЭБУ при включении зажигания подается (по данной схеме) на вывод ЭБУ - С14. НА самом деле - это вывод - С4!!!!!!! Наверно просто очепятка получилась , добавили единицу.


Еще раз - правильно - ПИТАНИЕ НА ЭБУ ПРИ ВКЛЮЧЕНИИ ЗАЖИГАНИЯ - ВЫВОД С4!!!!!!!!


--------------------
...я тебе один умный вещь скажу , только ты не абижЯйся....
Перейти в начало страницы
Вставить ник
+Цитировать сообщение
HELL
сообщение 3.4.2008, 1:29
Сообщение #6


Любитель
****

Группа: Пользователи
Сообщений: 343
Регистрация: 12.3.2008
Из: Днепродзержинск
Пол:



Чет реально не скачать ,не увеличить...Схемы нужные то,а то пришлось в России )) качать


--------------------
I'll take you to Hell
Перейти в начало страницы
Вставить ник
+Цитировать сообщение
AlfaNick
сообщение 7.4.2008, 11:49
Сообщение #7


Почетный нексиавод
******

Группа: Пользователи
Сообщений: 1579
Регистрация: 3.3.2008
Из: Харьков
Авто:Peugeot 308 Allure 1,6 THP
Пол:



А схему ЭБУ случайно никто не видел?
Перейти в начало страницы
Вставить ник
+Цитировать сообщение
niki
сообщение 8.4.2008, 17:19
Сообщение #8


ФАНАТ GM
*******

Группа: Гости
Сообщений: 2865
Регистрация: 21.1.2008
Из: Киев, Ворзель-1
Авто:BUICK PARK AVENUE
Пол:



Все нормально качается и увеличивается. Это были глюки форума Схема ЭБУ - это тайна ..... сколько искал схему - так и не смог нигде найти.


--------------------
...я тебе один умный вещь скажу , только ты не абижЯйся....
Перейти в начало страницы
Вставить ник
+Цитировать сообщение
AlfaNick
сообщение 9.4.2008, 8:34
Сообщение #9


Почетный нексиавод
******

Группа: Пользователи
Сообщений: 1579
Регистрация: 3.3.2008
Из: Харьков
Авто:Peugeot 308 Allure 1,6 THP
Пол:



Вот и я аналогично. Для Дэу всё держится в секрете. Поэтому и нет для свободного пользования программ для прошивки ЭБУ и правки калибровок. Диагностического протокола и того нет.
Перейти в начало страницы
Вставить ник
+Цитировать сообщение
niki
сообщение 10.4.2008, 13:14
Сообщение #10


ФАНАТ GM
*******

Группа: Гости
Сообщений: 2865
Регистрация: 21.1.2008
Из: Киев, Ворзель-1
Авто:BUICK PARK AVENUE
Пол:



нет , оно то есть , кому надо , тот найдет , но никому не сскажет , потому как на этом люди неплохие ТАНЬГЭ зарабатывают. перепрошивка ЭБУ 450 грн. Думай....


--------------------
...я тебе один умный вещь скажу , только ты не абижЯйся....
Перейти в начало страницы
Вставить ник
+Цитировать сообщение
GUK
сообщение 17.7.2008, 21:21
Сообщение #11


Новичок
*

Группа: Пользователи
Сообщений: 18
Регистрация: 17.7.2008
Из: СУМЫ
Авто:Daewoo-Nexia-1.5 v16
Пол:



Цитата(Dream @ 25.1.2008, 20:42) *
Схемы электрооборудования

Большое СПС. Схемы помогли разобраться ,практически во всём... drinks.gif


--------------------

Перейти в начало страницы
Вставить ник
+Цитировать сообщение
Masal
сообщение 26.8.2008, 8:44
Сообщение #12


Почетный нексиавод
******

Группа: Пользователи
Сообщений: 1344
Регистрация: 30.1.2008
Из: Краматорск (Донбасс)
Авто:NEXIA DOHC
Пол:



Подскажите, как определить полярность проводов на топливных форсунках???
Перейти в начало страницы
Вставить ник
+Цитировать сообщение
vuk
сообщение 26.8.2008, 8:50
Сообщение #13


Любитель
****

Группа: Пользователи
Сообщений: 370
Регистрация: 1.3.2008
Из: Харьков
Авто:Nexia 1,5 GLE
Пол:



Цитата(Masal @ 26.8.2008, 9:44) *
Подскажите, как определить полярность проводов на топливных форсунках???

Цифровой вольтметр, как правило, меряет и в + и в - . щупы поставил и посмотрел какой знак он показывает.
Перейти в начало страницы
Вставить ник
+Цитировать сообщение
Masal
сообщение 26.8.2008, 8:54
Сообщение #14


Почетный нексиавод
******

Группа: Пользователи
Сообщений: 1344
Регистрация: 30.1.2008
Из: Краматорск (Донбасс)
Авто:NEXIA DOHC
Пол:



Цитата(vuk @ 26.8.2008, 9:50) *
Цифровой вольтметр, как правило, меряет и в + и в - . щупы поставил и посмотрел какой знак он показывает.

Это понятно, но его в наличии нет и не предвидется, а полярность нужно знать уже сейчас.
Может я вопрос немного не правильно поставил, поправлюсь: каким цветом обозначены провода +, а каким - на форсунках естественно? Двигатель 16-клапанов.
Перейти в начало страницы
Вставить ник
+Цитировать сообщение
niki
сообщение 26.8.2008, 10:53
Сообщение #15


ФАНАТ GM
*******

Группа: Гости
Сообщений: 2865
Регистрация: 21.1.2008
Из: Киев, Ворзель-1
Авто:BUICK PARK AVENUE
Пол:



Читаем схемы електрооборудования. Поскольку нексия - прямой птомк опель кадета , то в опелях - коричневый - всегда масса. Что касается именно проводов на форсунки , то смтрим тут

http://nexia-club.com.ua/index.php?act=att...post&id=161

и видим , что черный провод , это своеобразный "минус", а конкретнее - этот провод идет на ЭБУ, поскольку форсунки коммутируютсяминусом , через силовой каскад ЭБУ, а красный с черной полосой (или просто красный , как у меня в машине) это и есть "плюс", т.е. на него всегда подется напряжение питания +12 В, при включении зажигания. воть.


--------------------
...я тебе один умный вещь скажу , только ты не абижЯйся....
Перейти в начало страницы
Вставить ник
+Цитировать сообщение
Masal
сообщение 26.8.2008, 11:14
Сообщение #16


Почетный нексиавод
******

Группа: Пользователи
Сообщений: 1344
Регистрация: 30.1.2008
Из: Краматорск (Донбасс)
Авто:NEXIA DOHC
Пол:



niki, спасибо. Все ясно, только ничего не понятно.
Перейти в начало страницы
Вставить ник
+Цитировать сообщение
niki
сообщение 26.8.2008, 12:42
Сообщение #17


ФАНАТ GM
*******

Группа: Гости
Сообщений: 2865
Регистрация: 21.1.2008
Из: Киев, Ворзель-1
Авто:BUICK PARK AVENUE
Пол:



Мля-а-аа-!!!!!! Товарищ генерал , ну нельзя же так тупить.... Рассказываю еще проще - разматываешь изоленту возле разъема на форсе , и видишь , что на форсу идет два провода - черный и красный - красный - +12В, черный - минус. все. проще пареной репы.....


--------------------
...я тебе один умный вещь скажу , только ты не абижЯйся....
Перейти в начало страницы
Вставить ник
+Цитировать сообщение
Masal
сообщение 27.8.2008, 7:38
Сообщение #18


Почетный нексиавод
******

Группа: Пользователи
Сообщений: 1344
Регистрация: 30.1.2008
Из: Краматорск (Донбасс)
Авто:NEXIA DOHC
Пол:



Да ладно тебе, разобрался. Только там черных проводов нет. Там есть красный, серый с черной полоской и голубой с черной полоской. В зависимости от того к какой форсунке подходит провод.
Перейти в начало страницы
Вставить ник
+Цитировать сообщение
Kortik
сообщение 22.2.2012, 18:18
Сообщение #19


Участник
**

Группа: Пользователи
Сообщений: 86
Регистрация: 10.11.2010
Из: Донецк-Киев
Пол:



Есть скромное предложение отредактировать первое сообщение. Иногда, для поиска нужной схемы нужно переклацать много рисунков, что не очень удобно. Предлагаю следующую "конструкцию":
<название схемы>
[рисунок]
<название схемы>
[рисунок]
...........................
<название схемы>
[рисунок]

Мне кажется, это упростит жизнь посетителям.

Сообщение отредактировал Kortik - 22.2.2012, 18:19
Перейти в начало страницы
Вставить ник
+Цитировать сообщение
DoCEnT
сообщение 3.10.2012, 10:50
Сообщение #20


Авторитет
*****

Группа: Пользователи
Сообщений: 855
Регистрация: 3.10.2012
Из: Одесса
Авто:Ford Escort Ghia
Пол:



Доброго времени суток всем любителям Нексюх, подскажите пожалуйста, у меня Нексия 2007г.в. 1,5 8v в базовой комплектации. Хочу установить противотуманки, но не наблюдаю электропроводку под них, под заглушкой нет штекера и у заглушек на бампере тоже, хотя один "спец" по Дэу сказал что у них всех электропроводка стандартная на всю машину т.е. должна быть!


--------------------
Запчасти на Renault, Peugeot, Citroen.
Перейти в начало страницы
Вставить ник
+Цитировать сообщение

4 страниц V   1 2 3 > » 
Ответить в данную темуНачать новую тему
1 чел. читают эту тему (гостей: 1, скрытых пользователей: 0)
Пользователей: 0

 



Текстовая версия Сейчас: 18.12.2025, 21:58
Разработка сайта: JetBrain, 2008